Запчасти Komatsu PC30-3 ПОДДЕРЖИВАЮЩИЙ КАТОК ХОДОВАЯ

Схема запчастей Komatsu PC30-3 - ПОДДЕРЖИВАЮЩИЙ КАТОК ХОДОВАЯ
FIT
1:1
100%

Артикул

Название

Примечание

Количество

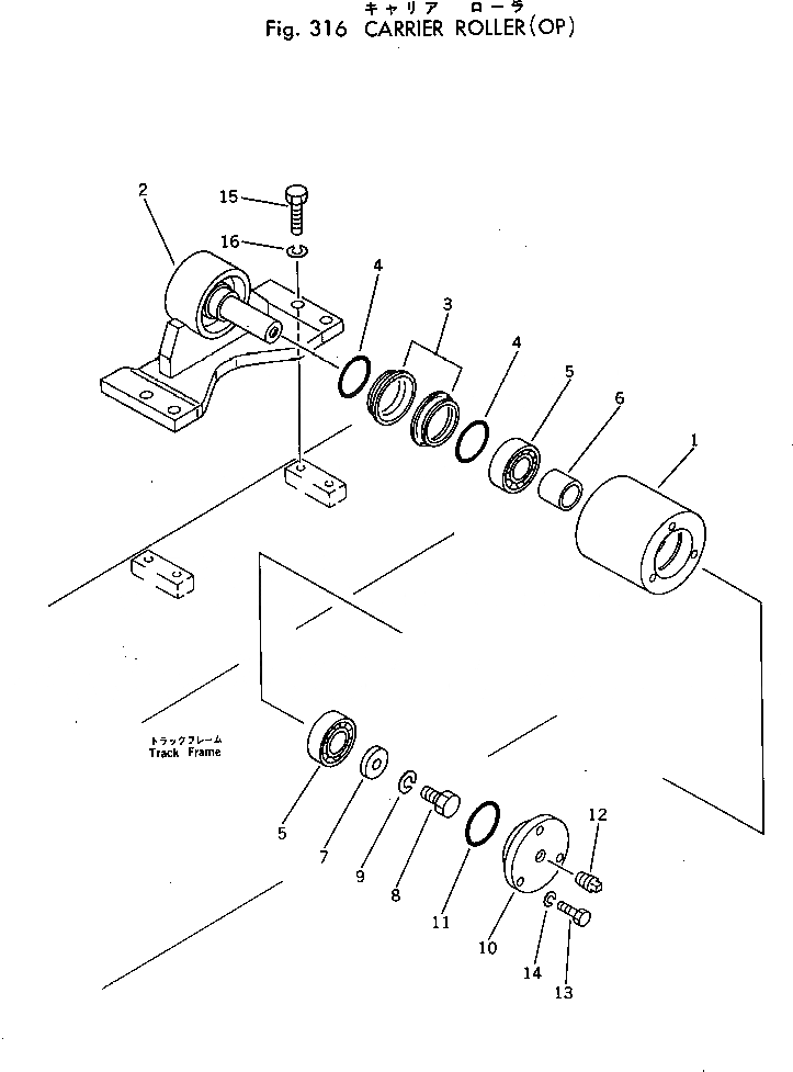
|1

20R-30-00030

CARRIER ROLLER ASS'Y

1

20R-30-21620

ROLLER

2

20R-30-21610

BRACKET

|3

110-30-00045

FLOATING SEAL ASS'Y

3

101-30-00130

SEAL RING ASS'Y

|3

RING,SEAL

4

101-30-00140

O-RING ASS'Y

|4

O-RING

5

06050-06205

BEARING

6

20R-30-21630

COLLAR

7

20R-30-21640

WASHER

8

01010-51225

BOLT

9

01602-21236

WASHER,SPRING

10

20R-30-21650

COVER

11

07000-03048

O-RING

12

07042-20108

PLUG

13

01010-50820

BOLT

14

01602-20825

WASHER,SPRING

15

01010-51030

BOLT

16

01602-21030

WASHER,SPRING

Выбрано товаров: 20