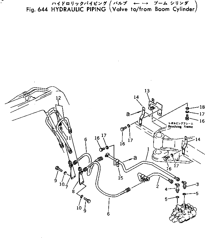
Запчасти Komatsu PC30-3 ГИДРОЛИНИЯ (КЛАПАН TO/FROM ЦИЛИНДР СТРЕЛЫ) ГИДРАВЛИКА

Схема запчастей Komatsu PC30-3 - ГИДРОЛИНИЯ (КЛАПАН TO/FROM ЦИЛИНДР СТРЕЛЫ) ГИДРАВЛИКА
FIT
1:1
100%

Артикул

Название

Примечание

Количество

1

20S-62-11570

TUBE

|1

20S-973-1311

TUBE,(WITH ATTACHMENT)

2

20S-62-11580

TUBE

|2

20S-973-1320

TUBE,(WITH ATTACHMENT)

3

20R-62-11311

ELBOW

4

20R-62-11360

ELBOW

5

07002-12034

O-RING

6

20R-62-21310

HOSE

7

20S-62-13150

TUBE

8

20R-62-14131

TUBE

9

01010-31025

BOLT

10

01602-01030

WASHER,SPRING

11

20R-62-23110

PLUG

12

20R-62-21390

HOSE

13

20S-62-11811

BRACKET

14

20S-62-11790

BRACKET

15

20R-62-11570

CLAMP

16

01010-31025

BOLT

17

01602-01030

WASHER,SPRING

18

01643-31032

WASHER

Выбрано товаров: 20