Качественные детали и логистика
Оригинальные и аналоговые запчасти с доставкой по России, Казахстану и Беларуси
©2022 PartSell ООО "Система" ИНН 2463123282 ОГРН 1212400004838
Центральный офис: г. Красноярск, Академика Киренского, д.87, пом.4
Телефон: 8 (800) 777-65-74 Email: zakaz@partsell.ru
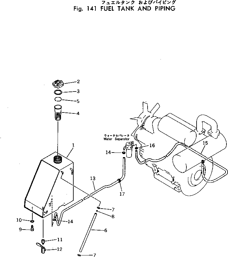
ТОПЛ. БАК И ТОПЛИВОПРОВОД
№
Артикул
Название
Примечание
Количество
|1
20R-04-00030
FUEL TANK ASS'Y
1
TANK
2
07050-20920
CAP ASS'Y
|2
07091-00920
CAP ASS'Y,(FOR VANDALISM PROTECTION)
3
07050-20922
GASKET
4
07056-16415
STRAINER
5
07057-03266
RING,SNAP
6
07270-01039
TUBE
7
07281-00197
CLAMP
8
20R-04-21210
BALL,FLOAT
9
01010-31225
BOLT
10
01605-11226
WASHER
11
113-40-23110
NIPPLE
12
07700-40240
VALVE
13
20R-04-22110
HOSE
14
07281-00167
15
20R-04-22120
16
17
112-860-1360
GROMMET
Выбрано товаров: 0