Запчасти Komatsu PC30-3 МАРКИРОВКА (ГЕРМАН.) ОСНОВНАЯ РАМА И КАБИНА

Схема запчастей Komatsu PC30-3 - МАРКИРОВКА (ГЕРМАН.) ОСНОВНАЯ РАМА И КАБИНА
FIT
1:1
100%

Артикул

Название

Примечание

Количество

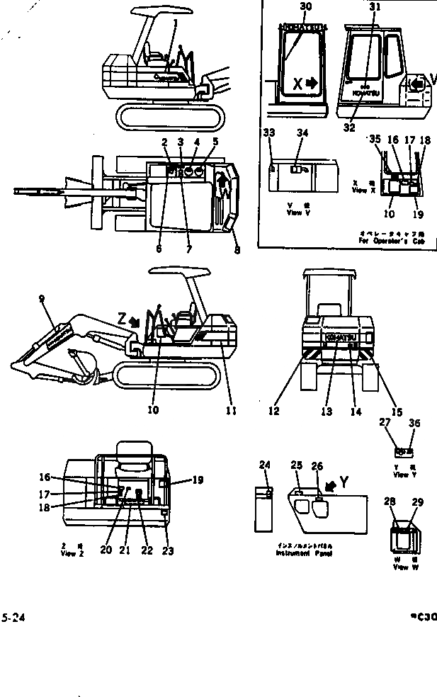
1

20S-98-11130

PLATE, MARK,PC30

2

09652-21101

PLATE, CAUTION,DRAIN

3

201-98-29340

PLATE, INSTRUCTION,RECOMMENDED HYDRAULIC OIL

4

09656-21080

PLATE, INSTRUCTION,HYDRAULIC TANK STRAINER

5

203-00-21180

PLATE, CAUTION,HYDRAULIC OIL FILTER

6

09101-02000

PLATE, CAUTION,RECOMMENDED FUEL

7

09653-02000

PLATE, SAFETY,HYDRAULIC TANK CAP

8

20T-98-22240

PLATE, SAFETY,KEEP OUT OF TURNING AREA

9

20R-98-21140

PLATE, MARK,KOMATSU

10

20S-98-12130

CHART, OIL

11

20S-98-11120

PLATE, MARK,PC30

12

20R-98-23110

PLATE, MARK,ZEBRA (FA SPEC.)

13

20S-98-11140

PLATE, MARK,KOMATSU

14

20T-98-22330

PLATE, SAFETY,ENGINE COVER

15

20R-98-23120

PLATE, MARK,ZEBRA (FA SPEC.)

16

09132-02000

PLATE, SAFETY,WARNING

17

09173-02000

PLATE, SAFETY

18

09651-02000

PLATE, SAFETY,BEFORE OPERATING

19

20T-98-19350

PLATE, CAUTION,TRACK LOADING INSTRUCTION

20

09131-02000

PLATE, SAFETY,SWING LOCK

21

20T-98-22140

PLATE, OPERATING,INSTRUCTION

22

09685-00002

PLATE, OPERATING,SWING LOCK

23

09601-20835

PLATE, NAME,(LIMITED SUPPLY)

23

04412-00308

RIVET

24

20T-98-22250

PLATE, OPERATING,INSTRUCTION

25

20T-98-22270

PLATE, OPERATING,BLADE

26

20T-98-19320

PLATE, OPERATING,ENGINE CONTROL

27

09683-21060

PLATE, OPERATING,STARTING SWITCH

28

09650-21103

PLATE, INSTRUCTION,RADIATOR

29

09668-02000

PLATE, SAFETY,RADIATOR CAP

30

20T-98-21190

PLATE, MARK,KOMATSU (FOR CAB)

31

09694-00112

PLATE, MARK,(FOR CAB)

32

09690-00315

PLATE, MARK,KOMATSU (FOR CAB)

33

20S-98-12120

PLATE, CAUTION,FUEL FILTER

34

20S-98-12111

PLATE, INSTRUCTION,AIR FILTER

35

20T-98-22221

PLATE, OPERATING,(FOR CAB)

36

20T-98-22340

PLATE, OPERATING,(FA SPEC.)

37

20T-98-22300

PLATE, OPERATING,WEIGHT ADJ.(FA SPEC.)(N/SHOWN)

Выбрано товаров: 38