Качественные детали и логистика
Оригинальные и аналоговые запчасти с доставкой по России, Казахстану и Беларуси
©2022 PartSell ООО "Система" ИНН 2463123282 ОГРН 1212400004838
Центральный офис: г. Красноярск, Академика Киренского, д.87, пом.4
Телефон: 8 (800) 777-65-74 Email: zakaz@partsell.ru
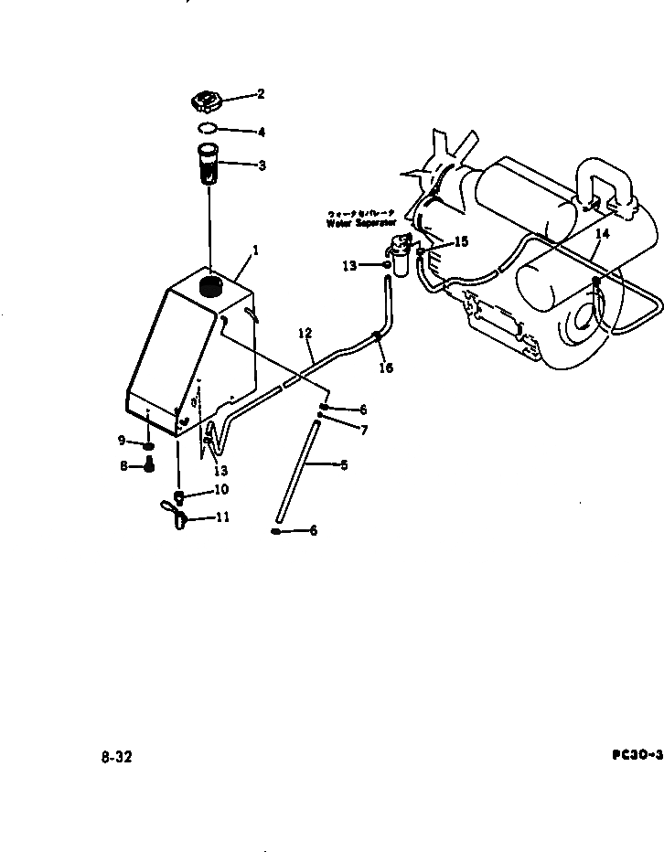
ТОПЛ. БАК И ТОПЛИВОПРОВОД (СПЕЦ-Я TBG)
№
Артикул
Название
Примечание
Количество
|$0
20R-04-00030
FUEL TANK ASS'Y
1
TANK
2
07091-00920
CAP ASS'Y,(FOR VANDALISM PROTECTION)
3
07056-16415
STRAINER
4
07057-03266
RING,SNAP
5
07270-01043
TUBE
6
07281-00197
CLAMP
7
20R-04-21210
BALL,FLOAT
8
01010-31225
BOLT
9
01605-11226
WASHER
10
113-40-23110
NIPPLE
11
07700-40240
VALVE
12
20R-04-22110
HOSE
13
07281-00137
14
20R-04-22120
15
16
112-860-1360
GROMMET
Выбрано товаров: 0