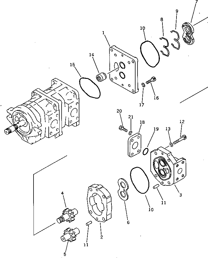
Запчасти Komatsu PC30-5 ГИДР. НАСОС. (/)(№-8) УПРАВЛ-Е РАБОЧИМ ОБОРУДОВАНИЕМ

Схема запчастей Komatsu PC30-5 - ГИДР. НАСОС. (/)(№-8) УПРАВЛ-Е РАБОЧИМ ОБОРУДОВАНИЕМ
FIT
1:1
100%

Артикул

Название

Примечание

Количество

|1

705-86-14000

PUMP ASS'Y

|1

705-62-21530

PUMP ASS'Y

1

BRACKET ASS'Y

2

CASE

3

COVER ASS'Y

4

GEAR,DRIVE

5

GEAR,DRIVEN

6

705-67-01620

PLATE

7

705-67-01610

PLATE

8

705-67-01440

RING,BACK-UP

9

705-17-01470

SEAL,SEAL

10

705-17-01381

O-RING

11

04020-00820

PIN,DOWEL

12

01252-31055

BOLT

13

01602-21030

WASHER,SPRING

14

705-67-01330

COUPLING ASS'Y

15

705-17-01381

O-RING

16

01252-30830

BOLT

17

01602-20825

WASHER,SPRING

18

705-17-01880

PLATE

19

07000-03032

O-RING

20

01010-51025

BOLT

21

01602-21030

WASHER,SPRING

Выбрано товаров: 0