Запчасти Komatsu PC30-5 МАРКИРОВКА (ДЛЯ ЯПОН.) МАРКИРОВКА¤ ИНСТРУМЕНТ И РЕМКОМПЛЕКТЫ

Схема запчастей Komatsu PC30-5 - МАРКИРОВКА (ДЛЯ ЯПОН.) МАРКИРОВКА¤ ИНСТРУМЕНТ И РЕМКОМПЛЕКТЫ
FIT
1:1
100%

Артикул

Название

Примечание

Количество

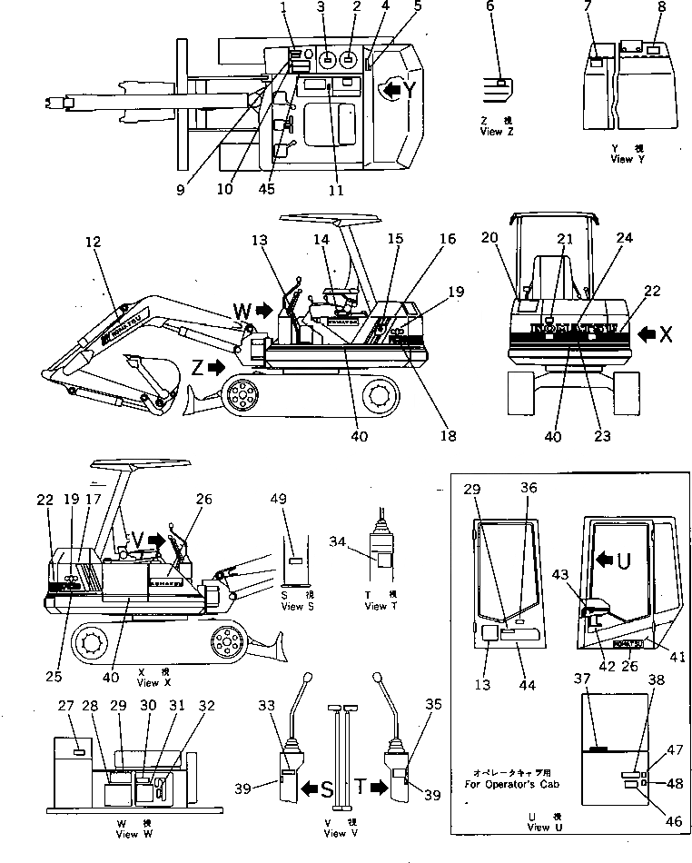
1

09669-00002

PLATE¤ CAUTION,FUEL

2

09656-01080

PLATE¤ INSTRUCTION,FUEL TANK

3

203-00-21180

PLATE¤ CAUTION,HYDRAULIC FILTER

4

09669-00003

PLATE¤ CAUTION,RECOMENDED OIL

5

09653-00100

PLATE¤ SAFETY,HYDRAULIC TANK

6

09601-00835

PLATE¤ NAME,(LIMITED SUPPLY)

|6

04418-13060

SCREW

7

20N-98-21290

PLATE¤ CAUTION,FUEL FILTER

8

09668-00100

PLATE¤ SAFETY,RADIATOR CAP

9

09652-01101

PLATE¤ CAUTION,FUEL TANK

10

20S-98-21230

PLATE¤ OPERATING,WORK EQUIPMENT CONTROL (FOR CA

11

09683-01060

PLATE¤ OPERATING,STARTING SWITCH

12

20S-98-21151

PLATE¤ MARK,KOMATSU

13

20S-98-21220

CHART¤ OIL

14

09690-50315

PLATE¤ MARK,KOMATSU

15

20T-98-21240

PLATE¤ OPERATING,MACHINE CAB STAY

16

20S-98-21180

PLATE¤ STRIPE

17

20S-98-21190

PLATE¤ STRIPE

18

20S-98-21111

PLATE¤ MARK,PC30

19

09694-50160

PLATE¤ MARK

20

20R-98-21130

PLATE¤ SAFETY,KEEP OUT OF TURNING AREA

21

09667-00100

PLATE¤ SAFETY,ENGINE COVER

22

20S-98-21370

PLATE¤ STRIPE

23

20S-98-21360

PLATE¤ STRIPE

24

09690-51000

PLATE¤ MARK,KOMATSU

25

20S-98-21111

PLATE¤ MARK,PC30

26

09690-40315

PLATE¤ MARK,KOMATSU

27

20T-98-21130

PLATE¤ OPERATING,BOOM SWING

28

20R-54-15391

PLATE¤ CAUTION,TRACK LOADING

29

09657-00110

PLATE¤ SAFETY,TRACK TENSION

30

09131-00100

PLATE¤ SAFETY,SWING LOCK LEVER

31

20S-98-21210

PLATE¤ DATA

32

09685-00002

PLATE¤ OPERATING,SWING LOCK LEVER

33

09651-00100

PLATE¤ SAFETY,BEFORE OPERATING

34

09132-00100

PLATE¤ SAFETY

35

09173-00100

PLATE¤ SAFETY,INSPECTION AND MAINTENANCE

36

20T-98-21210

PLATE¤ OPERATING,DOOR LOCK

37

20T-98-21230

PLATE¤ CAUTION,WINDOW

38

20S-98-21290

PLATE¤ OPERATING,WORK EQUIPMENT CONTROL (FOR CA

39

09685-00001

PLATE¤ OPERATING,LOCK LEVER

40

20S-98-21410

PLATE¤ STRIPE

41

20S-98-21280

PLATE¤ MARK,DOOR

42

20S-98-21260

PLATE¤ MARK,DOOR KNOB

43

20S-98-21380

PLATE

44

20S-98-21390

PLATE

45

20S-98-22410

PLATE¤ OPERATING,(FOR CANOPY)

46

20S-98-22150

PLATE¤ OPERATING,(FOR CAB)

47

20T-98-23130

PLATE,(QUICK SHIFT)

48

20T-98-23140

PLATE,(QUICK SHIFT)

49

20R-98-24130

PLATE¤ OPERATING,(QUICK SHIFT)

Выбрано товаров: 50