Запчасти Komatsu PC30-5 СИДЕНЬЕ ОПЕРАТОРА (США СПЕЦ-Я.) МАРКИРОВКА¤ ИНСТРУМЕНТ И РЕМКОМПЛЕКТЫ

Схема запчастей Komatsu PC30-5 - СИДЕНЬЕ ОПЕРАТОРА (США СПЕЦ-Я.) МАРКИРОВКА¤ ИНСТРУМЕНТ И РЕМКОМПЛЕКТЫ
FIT
1:1
100%

Артикул

Название

Примечание

Количество

|$0

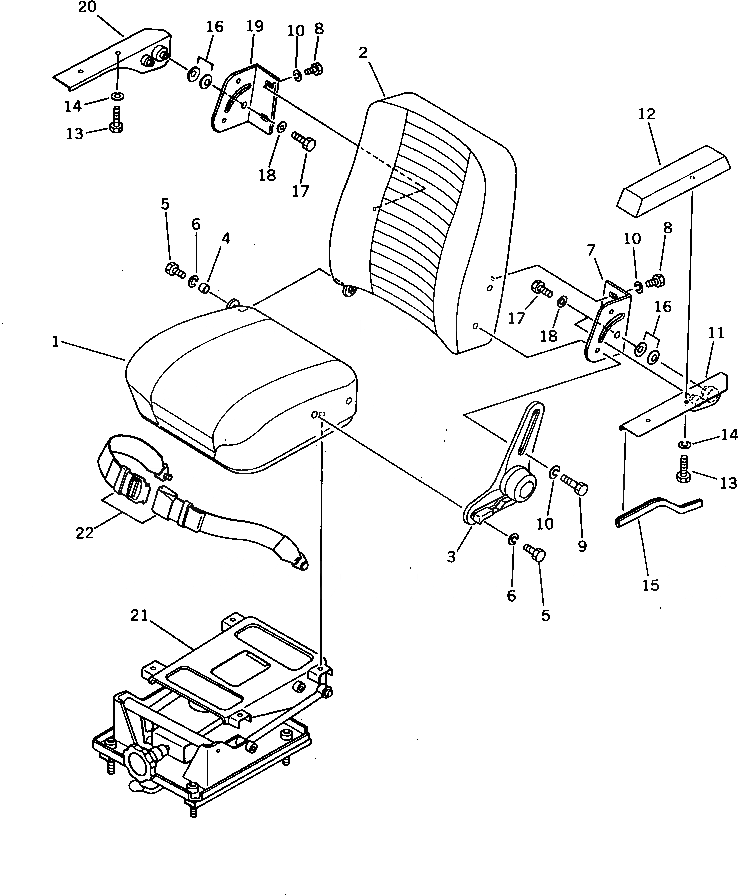
20S-57-00100

SEAT ASS'Y

1

20S-57-12110

SEAT

2

20T-57-23110

CUSHION

3

20T-57-12181

LEVER

4

203-57-21330

SPACER

5

01010-51020

BOLT

6

01602-21030

WASHER,SPRING

7

20T-57-23130

BRACKET

8

01010-51020

BOLT

9

01010-51050

BOLT

10

01602-21030

WASHER,SPRING

11

20T-57-23150

SUPPORT

12

20T-57-23120

CUSHION

13

01010-50835

BOLT

14

01602-30825

WASHER,SPRING

15

205-57-72590

SEAL

16

175-54-27350

SPRING

17

01010-51220

BOLT

18

01643-31232

WASHER

19

20T-57-23140

BRACKET

20

20T-57-23160

SUPPORT

21

20S-57-12310

SUSPENSION ASS'Y

22

09409-10000

BELT

Выбрано товаров: 23