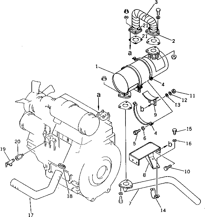
Запчасти Komatsu PC30-5 КОМПОНЕНТЫ ДВИГАТЕЛЯ КОМПОНЕНТЫ ДВИГАТЕЛЯ И ЭЛЕКТРИКА

Схема запчастей Komatsu PC30-5 - КОМПОНЕНТЫ ДВИГАТЕЛЯ КОМПОНЕНТЫ ДВИГАТЕЛЯ И ЭЛЕКТРИКА
FIT
1:1
100%

Артикул

Название

Примечание

Количество

1

20R-01-27110

MUFFLER

2

20R-01-27120

BEND

3

20S-01-11222

TAPE

4

20R-01-27220

CLAMP

5

01010-50830

BOLT

6

01602-20825

WASHER,SPRING

7

20S-01-21110

PIPE

8

20R-01-27170

BRACKET

9

20R-01-27150

BRACKET

10

01010-51025

BOLT

11

01580-11008

NUT

12

01602-21030

WASHER,SPRING

13

01643-31032

WASHER

14

20R-01-27160

CLAMP

15

01010-51020

BOLT

16

01602-21030

WASHER,SPRING

17

20S-01-21120

HOSE

18

07281-00709

CLAMP

19

203-977-4130

VALVE

20

20S-01-11210

NIPPLE

21

V000-060000

CLAMP

Выбрано товаров: 21