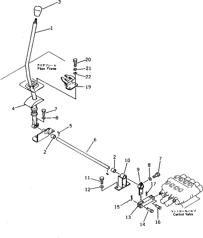
Запчасти Komatsu PC30-5 УПРАВЛЕНИЕ ПОВОРОТОМ СТРЕЛЫ РЫЧАГ ПОВОРОТН. И СИСТЕМА УПРАВЛЕНИЯ

Схема запчастей Komatsu PC30-5 - УПРАВЛЕНИЕ ПОВОРОТОМ СТРЕЛЫ РЫЧАГ ПОВОРОТН. И СИСТЕМА УПРАВЛЕНИЯ
FIT
1:1
100%

Артикул

Название

Примечание

Количество

1

20S-43-21810

LEVER

2

09350-02020

BUSHING

3

20D-43-11370

KNOB

4

20S-43-11230

COVER

5

04010-00519

KEY

6

20S-43-21830

SHAFT

7

01010-50830

BOLT

8

01602-20825

WASHER,SPRING

9

20S-43-21850

LEVER

10

20S-43-21840

BRACKET

11

01010-51025

BOLT

12

01602-21030

WASHER,SPRING

13

20S-43-21860

YOKE

14

04205-10822

PIN

15

04050-12012

PIN,COTTER

16

04205-10622

PIN

17

04050-11610

PIN,COTTER

18

20S-43-21870

SHIM,(NOT SHOWN)

19

20S-43-15140

HINGE

20

01010-51025

BOLT

21

01602-21030

WASHER,SPRING

22

01643-31023

WASHER

Выбрано товаров: 22