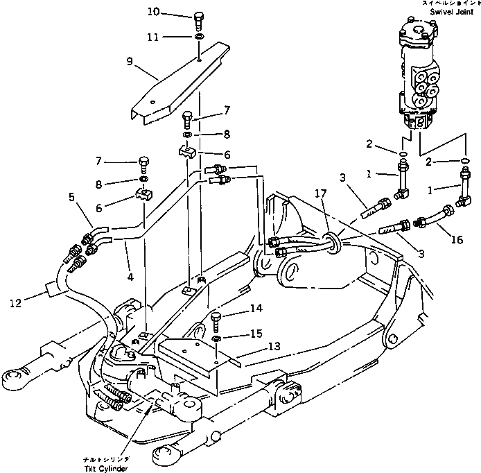
/ / / / / / ГИДРОЛИНИЯ (ЦИЛИНДР ПЕРЕКОСА ЛИНИЯ) (ДЛЯ НАКЛОНЯЕМ. МЕХАНИЧ. ПОВОРОТНЫЙ ОТВАЛ)(№-)
Запчасти Komatsu PC30-6 ГИДРОЛИНИЯ (ЦИЛИНДР ПЕРЕКОСА ЛИНИЯ) (ДЛЯ НАКЛОНЯЕМ. МЕХАНИЧ. ПОВОРОТНЫЙ ОТВАЛ)(№-) РАБОЧЕЕ ОБОРУДОВАНИЕ
1
20U-910-1870
ELBOW
2
07002-11823
O-RING
3
07123-20307
HOSE
4
20S-910-3160
TUBE
5
20S-910-3170
TUBE
6
20N-62-13240
CLAMP
7
01010-51035
BOLT
8
01643-31032
WASHER
9
20S-910-3180
COVER
10
01010-51065
BOLT
11
01643-31032
WASHER
12
12F-62-42410
HOSE
13
20U-910-1931
COVER
14
01010-51016
BOLT
15
01643-31032
WASHER
16
20S-910-3140
TUBE
17
20U-910-1450
GROMMET
Выбрано товаров: 0