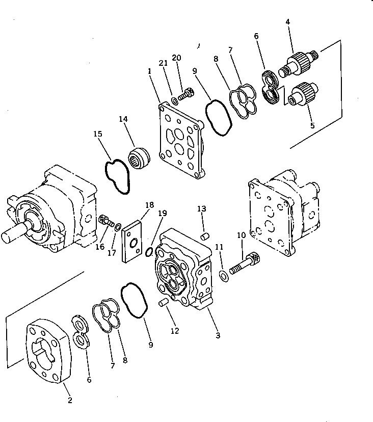
Запчасти Komatsu PC30-6 ГИДР. НАСОС. (/) (ДЛЯ ЯПОН.) УПРАВЛ-Е РАБОЧИМ ОБОРУДОВАНИЕМ

Схема запчастей Komatsu PC30-6 - ГИДР. НАСОС. (/) (ДЛЯ ЯПОН.) УПРАВЛ-Е РАБОЧИМ ОБОРУДОВАНИЕМ
FIT
1:1
100%

Артикул

Название

Примечание

Количество

|1

705-41-08001

PUMP ASS'Y

|1

705-41-04001

PUMP ASS'Y

1

705-40-80511

BRACKET

|1

705-40-80610

BUSHING,PLANE (FOR DRIVEN)

|1

705-40-80620

BUSHING,PLANE (FOR DRIVE)

2

705-40-22011

CASE,GEAR

3

705-40-80311

CARRIER

|3

705-40-80610

BUSHING,PLANE (FOR DRIVE)

|3

705-40-80620

BUSHING,PLANE (FOR DRIVEN)

4

705-40-22462

GEAR,DRIVE

5

705-40-22511

GEAR,DRIVEN

6

705-40-80710

PLATE,SIDE

7

705-40-80730

RING,BACK-UP

8

705-40-80740

RING,SEAL

9

705-40-80630

RING,SEAL

10

01252-31270

BOLT

11

01643-51232

WASHER

12

04020-00820

PIN,DOWEL

13

705-67-01230

PIN,DOWEL

14

705-67-01330

COUPLING ASS'Y

15

705-40-80660

SEAL

16

01252-30825

BOLT

17

01643-50823

WASHER

18

705-40-80941

PLATE

19

07000-02021

O-RING

20

01252-30825

BOLT

21

01643-50823

WASHER

Выбрано товаров: 27