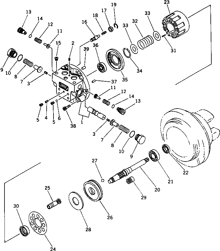
Запчасти Komatsu PC30-6 МОТОР ХОДА (/)(№-) УПРАВЛ-Е РАБОЧИМ ОБОРУДОВАНИЕМ

Схема запчастей Komatsu PC30-6 - МОТОР ХОДА (/)(№-) УПРАВЛ-Е РАБОЧИМ ОБОРУДОВАНИЕМ
FIT
1:1
100%

Артикул

Название

Примечание

Количество

|1

20S-60-32100

TRAVEL MOTOR ASS'Y

1

TZ312B210101-A

REAR FLANGE KIT

2

TZMB700-060

PLUG

3

TZ300B2044-00

ORIFICE

4

TZ121F2070-00

ORIFICE

5

TZGM1-8

PLUG

6

04260-00793

BALL

7

TZ326A205200-A

STOPPER

8

TZ300A2056-00

SPRING

9

TZ300A2051-00

PLUG

10

TZJB2401-P22-9

O-RING (KIT)

11

TZ300A2054-00

VALVE

12

TZ300A2055-00

SPRING

13

TZ300A2053-00

PLUG

14

07000-12012

O-RING (KIT)

15

TZGM1-4

PLUG

16

TZ200B2073-00

VALVE

17

TZ300B2039-00

STOPPER

18

TZ300B2043-01

SPRING

19

TZ300B2042-00

RING

20

TZ310B2002-00

SHAFT

21

06000-06203

BEARING,BALL

22

TZ15Z-17-35-8

SEAL (KIT)

23

TZ312B2004-00

BLOCK,CYLINDER

24

TZ310B2007-00

PLATE,RETAINER

25

TZ300B2105-00

PISTON KIT (9PIS)

26

TZ310B200301-A

PLATE,SWASH

27

TZJB1501-18

BALL

28

TZ310B2032-00

PLATE,THRUST

29

TZ310B2070-01

PISTON ASS'Y

30

TZ310B2008-00

BOWL,THRUST

31

TZJB1506-2-208

PIN

32

TZ550A2014-01

SPRING

33

TZ310B2010-00

WASHER

34

TZ1RTW-32

RING,SNAP

35

TZ550A2009-00

PLATE,TIMING

36

06000-06201

BEARING,BALL

37

TZJB1354-4-10

PIN

38

01252-30820

BOLT

39

TZJB1354-8-16

PIN

Выбрано товаров: 40