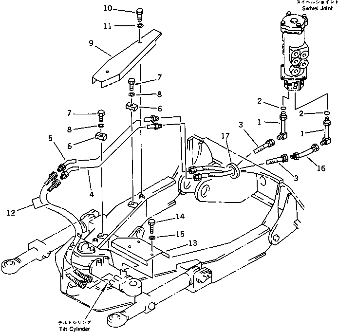
Запчасти Komatsu PC30-6 ГИДРОЛИНИЯ (ЦИЛИНДР ПЕРЕКОСА ЛИНИЯ) (ДЛЯ НАКЛОНЯЕМ. МЕХАНИЧ. ПОВОРОТНЫЙ ОТВАЛ)(№-) РАБОЧЕЕ ОБОРУДОВАНИЕ

Схема запчастей Komatsu PC30-6 - ГИДРОЛИНИЯ (ЦИЛИНДР ПЕРЕКОСА ЛИНИЯ) (ДЛЯ НАКЛОНЯЕМ. МЕХАНИЧ. ПОВОРОТНЫЙ ОТВАЛ)(№-) РАБОЧЕЕ ОБОРУДОВАНИЕ
FIT
1:1
100%

Артикул

Название

Примечание

Количество

1

20U-910-1870

ELBOW

2

07002-11823

O-RING

3

07123-20307

HOSE

4

20S-910-3160

TUBE

5

20S-910-3170

TUBE

6

20N-62-13240

CLAMP

7

01010-51035

BOLT

8

01643-31032

WASHER

9

20S-910-3180

COVER

10

01010-51065

BOLT

11

01643-31032

WASHER

12

12F-62-42410

HOSE

13

20U-910-1931

COVER

14

01010-51016

BOLT

15

01643-31032

WASHER

16

20S-910-3140

TUBE

17

20U-910-1450

GROMMET

Выбрано товаров: 17