Запчасти Komatsu PC30-6 МАРКИРОВКА (ФРАНЦИЯ) (ДЛЯ КАБИНЫ) МАРКИРОВКА¤ ИНСТРУМЕНТ И РЕМКОМПЛЕКТЫ

Схема запчастей Komatsu PC30-6 - МАРКИРОВКА (ФРАНЦИЯ) (ДЛЯ КАБИНЫ) МАРКИРОВКА¤ ИНСТРУМЕНТ И РЕМКОМПЛЕКТЫ
FIT
1:1
100%

Артикул

Название

Примечание

Количество

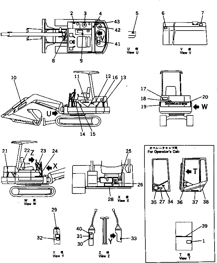
1

20S-98-32220

PLATE, OPERATING,(FOR CAB)

2

09652-51121

PLATE, CAUTION,FUEL TANK

3

20S-98-22640

PLATE, CAUTION,HYDRAULIC TANK

4

09653-05010

PLATE, SAFETY,HYDRAULIC TANK

5

09601-50835

PLATE, NAME,(LIMITED SUPPLY)

5

04418-13060

SCREW

6

20S-98-22630

PLATE, CAUTION,FUEL FILTER

7

09668-05000

PLATE, SAFETY,RADIATOR CAP

8

20S-98-31250

PLATE, MARK,SYMBOL

9

09683-51060

PLATE, OPERATING,SWITCH

10

20S-98-21151

PLATE, MARK,KOMATSU

11

20S-98-31160

PLATE, MARK,KOMATSU

12

20S-98-31110

PLATE, MARK,PC30

13

20S-98-31440

PLATE, MARK,ACCENT

14

20S-98-32370

CHART, OIL

14

20S-98-32270

CHART, OIL

15

09696-10085

PLATE,EC NOISE SUPPRESSION

16

09696-00097

PLATE,EC NOISE SUPPRESSION

17

20S-98-22660

PLATE, SAFETY

18

09667-05000

PLATE, SAFETY,ENGINE COVER

19

20S-98-31410

PLATE, MARK,ACCENT

20

20S-98-31350

PLATE, MARK,KOMATSU

21

20S-98-31450

PLATE, MARK,ACCENT

22

20S-98-31110

PLATE, MARK,PC30

23

20S-98-31460

PLATE, MARK,ACCENT

24

20S-98-31170

PLATE, MARK,KOMATSU

25

09131-05000

PLATE, SAFETY,SWING LOCK PIN

26

09685-00002

PLATE, OPERATING,SWING LOCK LEVER

27

09657-05011

PLATE, SAFETY,TRACK TENSION

28

20S-98-32110

PLATE, CAUTION,TRACK LOADING

29

09132-05000

PLATE, SAFETY

30

09651-05000

PLATE, SAFETY,BEFORE OPERATING

31

09685-00002

PLATE, OPERATING,LEVER LOCK

32

09173-05000

PLATE, SAFETY,INSPECTION AND MAINTENANCE

33

09685-00002

PLATE, OPERATING,LEVER LOCK

34

20T-98-21210

PLATE, OPERATING,DOOR LOCK

35

20S-98-32370

CHART, OIL

35

20S-98-32270

CHART, OIL

36

20S-98-21260

PLATE, MARK,DOOR KNOB

37

20S-98-31160

PLATE, MARK,KOMATSU

38

20S-98-31260

PLATE, MARK,DOOR

39

20S-98-22710

PLATE, CAUTION,CENTER SASH

40

20S-98-32230

PLATE, OPERATING,BOOM SWING

41

20S-98-22620

PLATE, OPERATING,AIR CLEANER

42

20S-98-22670

CAP,RADIATOR

43

20S-98-22680

TANK,RADIATOR

Выбрано товаров: 46