Запчасти Komatsu PC30-7 СОЕДИНЕНИЕ КОВША (AҐЗАКРЫТОГО ТИПА) (ДЛЯ МОЛОТА РУКОЯТЬ)(№-) РАБОЧЕЕ ОБОРУДОВАНИЕ

Схема запчастей Komatsu PC30-7 - СОЕДИНЕНИЕ КОВША (AҐЗАКРЫТОГО ТИПА) (ДЛЯ МОЛОТА РУКОЯТЬ)(№-) РАБОЧЕЕ ОБОРУДОВАНИЕ
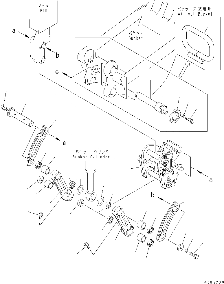
1
2
3
4
5
6
7
8
8
9
9
10
10
11
11
12
12
12
12
12
12
12
12
13
13
14
15
16
17
18
19
20
FIT
1:1
100%

Артикул

Название

Примечание

Количество

1

20S-70-71421

LINK,L.H.

2

20S-70-71431

LINK,R.H.

3

20S-70-71451

PIN

4

07020-00000

FITTING,GREASE

5

20S-70-71270

PLATE

6

01010-51635

BOLT

7

01643-31645

WASHER

|8

20S-70-00641

LINK ASS'Y

8

LINK,L.H.

9

20S-70-11270

BUSHING

10

20S-70-71870

BUSHING

11

07020-00675

FITTING,GREASE

12

07145-00035

SEAL,DUST

13

20S-70-71491

SHIM¤ 2.5MM

14

20S-970-7430

AҐLOCK

15

20S-70-71442

PIN

16

20S-70-71461

SPACER

17

20S-70-71471

RETAINER

18

01010-51035

BOLT

19

01643-31032

WASHER

20

20S-970-7440

GUARD

Выбрано товаров: 21