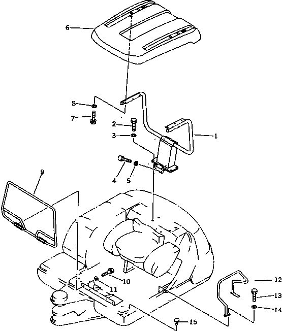
Запчасти Komatsu PC30-7 НАВЕС КАБИНА ОПЕРАТОРА И СИСТЕМА УПРАВЛЕНИЯ

Схема запчастей Komatsu PC30-7 - НАВЕС КАБИНА ОПЕРАТОРА И СИСТЕМА УПРАВЛЕНИЯ
FIT
1:1
100%

Артикул

Название

Примечание

Количество

1

20T-54-73191

POLE

2

01010-51640

BOLT

3

01643-31645

WASHER

4

01010-51030

BOLT

5

01643-31032

WASHER

6

20T-54-73121

ROOF,CANOPY

7

20T-57-73290

BOLT

8

01643-71032

WASHER

9

20T-54-73211

GUARD

10

01010-51020

BOLT

11

01643-31032

WASHER

12

20T-54-73220

HANDLE

13

01010-51030

BOLT

14

01643-31032

WASHER

15

20T-54-74510

CAP

Выбрано товаров: 0