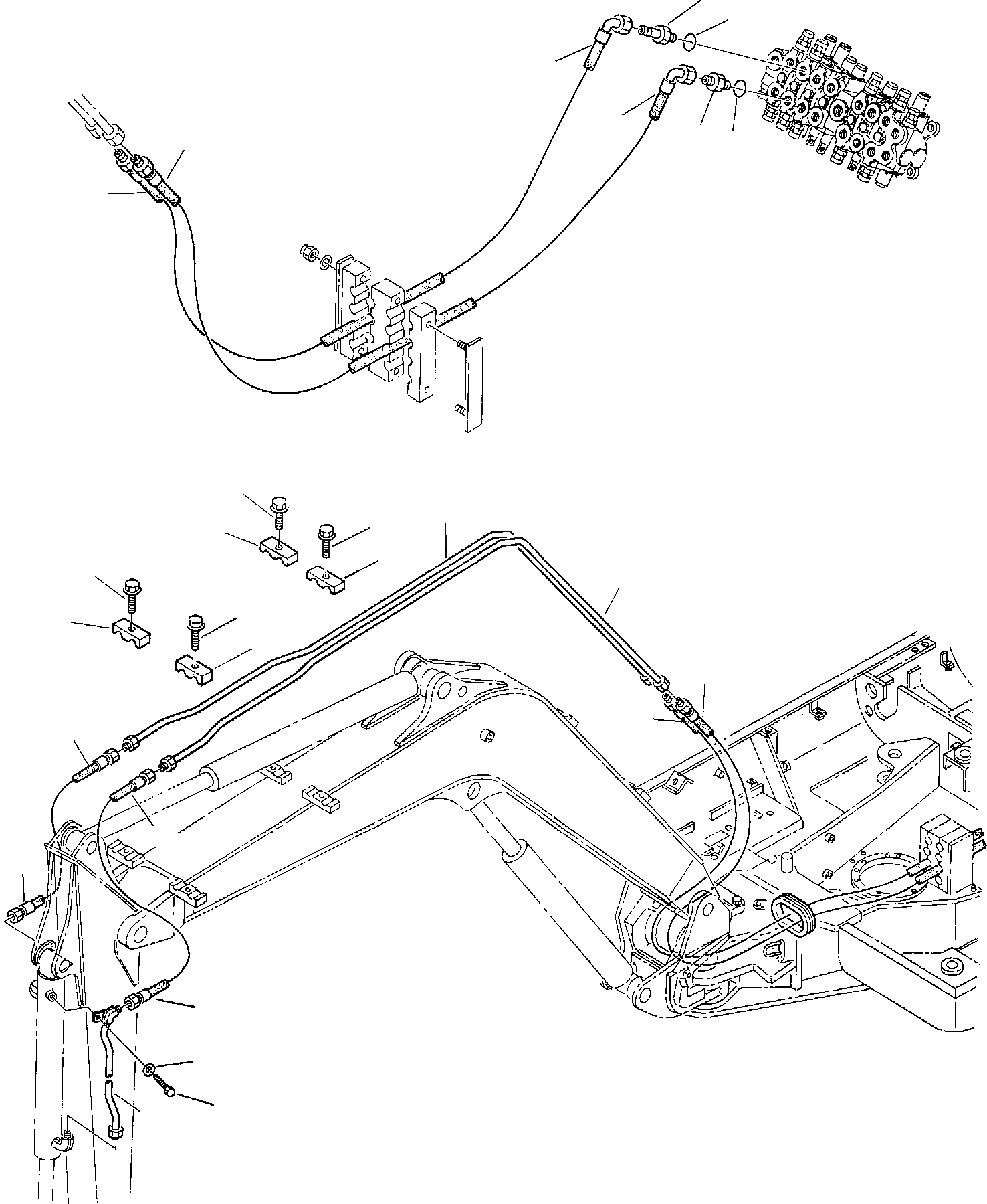
Запчасти Komatsu PC30-7 ГИДРОЛИНИЯ (ЛИНИЯ КОВША) УПРАВЛ-Е РАБОЧИМ ОБОРУДОВАНИЕМ

Схема запчастей Komatsu PC30-7 - ГИДРОЛИНИЯ (ЛИНИЯ КОВША) УПРАВЛ-Е РАБОЧИМ ОБОРУДОВАНИЕМ
1
2
5
5
3
5
4
5
10
7
10
9
8
10
6
10
9
8
5
5
11
11
11
11
14
13
12
FIT
1:1
100%

Артикул

Название

Примечание

Количество

1

500358261

UNION

2

855051113

O-RING

3

500351746

UNION

4

855051113

O-RING

5

392186036

HOSE

6

3F3084052

PIPE

7

3F3084051

PIPE

8

393024008

CLAMP

9

393024009

CLAMP

10

801085031

BOLT

11

392185005

HOSE

12

3F3093053

PIPE

13

801015108

BOLT

14

802170002

WASHER

Выбрано товаров: 14