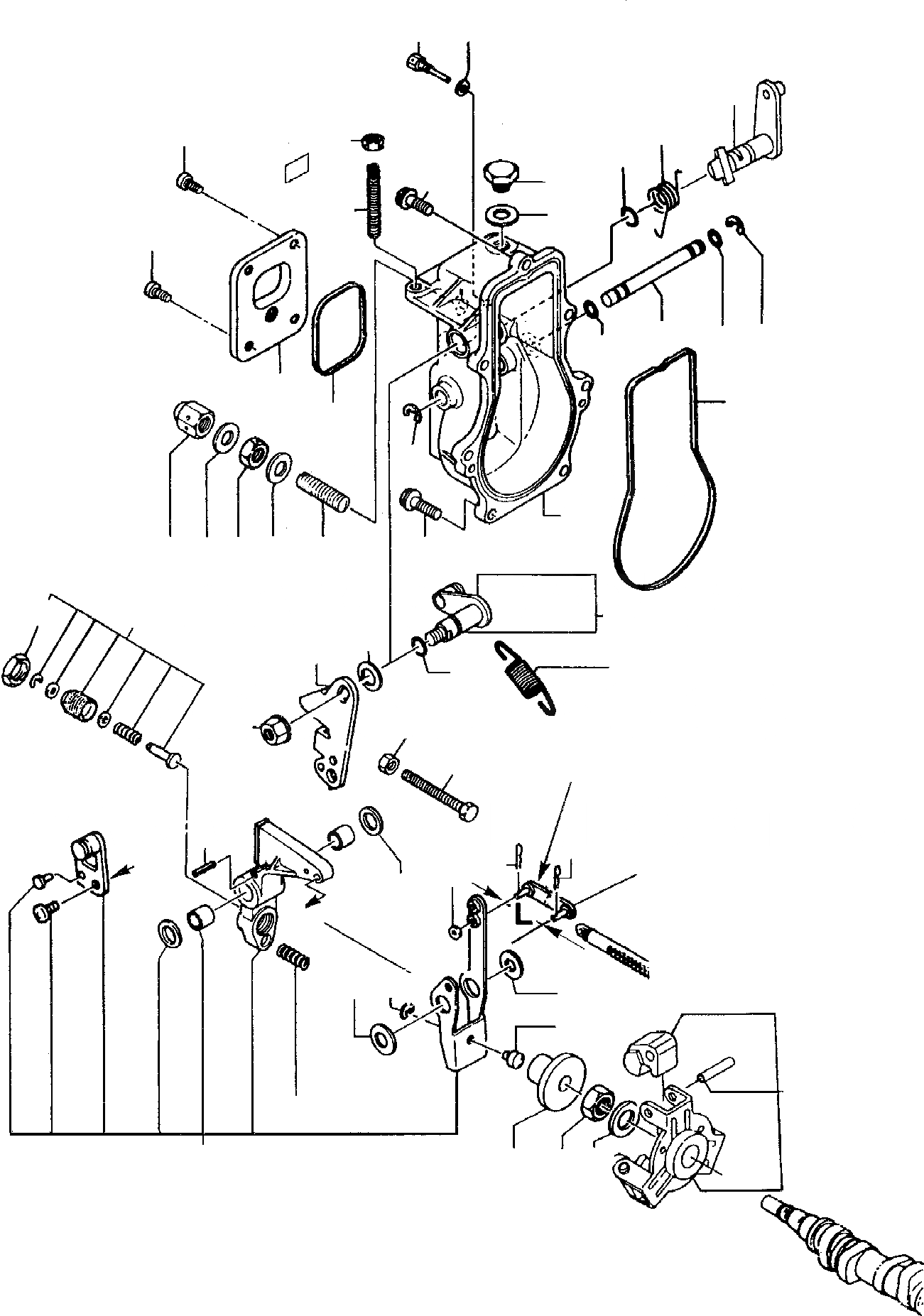
Запчасти Komatsu PC30-7 РЕГУЛЯТОР ДВИГАТЕЛЬ

Схема запчастей Komatsu PC30-7 - РЕГУЛЯТОР ДВИГАТЕЛЬ
56
1
70
77
67
55
78
77
57
a
74
a
61
64
60
71
26
63
75
33
66
1
5
4
6
66
3
59
78
25
72
83
17
79
20
24
54
58
76
73
27
68
69
7
69
8
62
35
9
65
28
28
52
10
53
34
14
15
16
FIT
1:1
100%

Артикул

Название

Примечание

Количество

1

YMR000214

O-RING

3

YMR001018

CASE, GOVERNOR

4

YMR000242

GASKET

5

YMR000243

COVER

6

YMR000244

GASKET

7

YMR000245

LINK L=30 (0)

8

YMR000247

LINK L=30.5 (0.5)

9

YMR000246

LINK L=31 (1)

10

YMR000248

WEIGHT ASSY., GOVERNOR

14

YMR000249

SLEEVE

15

YMR000486

SLEEVE

16

YMR000487

SLEEVE

17

YMR000122

SHAFT

20

YMR000250

SPACER

24

YMR000123

LEVER

25

YMR000488

BOLT, FUEL CONTROL

26

YMR000251

BOLT, REVOL. LIMIT

27

YMR000252

BOLT, IDLE LIMIT

28

YMR000253

SPACER

33

YMR000254

SHAFT

34

YMR000596

LINK ASSY., GOVERNOR

35

YMR000352

SHIM

52

YMR000256

SHIFTER

53

YMR000125

SPRING

54

YMR000489

SPRING

55

YMR000278

LEVER, STOP

56

YMR000257

PIN

57

YMR000126

SPRING

58

YMR000258

O-RING

59

YMR000427

CAP NUT

60

YMR000259

SCREW

61

YMR000090

NUT

62

YMR000354

WASHER

63

YMR001023

WASHER

64

YMR000385

O-RING

65

YMR000359

RING, SNAP

66

YMR000360

RING, SNAP

67

YMR000361

WASHER

68

YMR000362

SPRING

69

YMR000598

PIN, SAFETY

70

YMR001022

WASHER

71

YMR000380

PLUG

72

YMR000397

SCREW

73

YMR000425

NUT

74

YMR000393

SCREW

75

YMR001021

SCREW

76

YMR000430

NUT

77

YMR000431

NUT

78

YMR000852

WASHER

79

YMR000567

ANGLEICH ASSY.

83

YMR000858

NUT

Выбрано товаров: 51