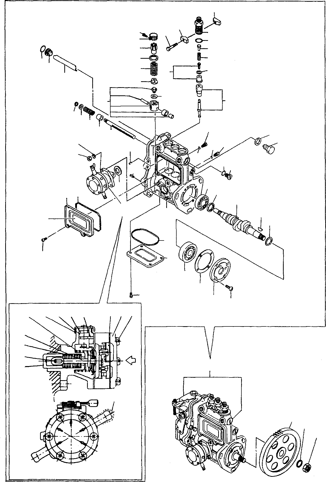
Запчасти Komatsu PC30-7 ТОПЛ. НАСОС ДВИГАТЕЛЬ

Схема запчастей Komatsu PC30-7 - ТОПЛ. НАСОС ДВИГАТЕЛЬ
31
26
30
72
32
73
46
80
84
77
27
51
97
95
93
94
47
102
29
101
104
45
103
a
a
11
81
34
13
28
23
33
12
7
14
44
43
50
74
42
87
41
78
35
21
22
10
86
22
49
48
79
4
88
76
3
89
85
6
75
71
82
70
36
82
5
83
91
99
100
1
98
96
105
106
107
FIT
1:1
100%

Артикул

Название

Примечание

Количество

1

YMR001015

INJECTION PUMP

3

YMR000024

CAMSHAFT

4

YMR000207

BEARING

5

YMR000208

RETAINER

6

YMR000075

KEY

7

YMR000284

PLUNGER W/BARREL

10

YMR000209

PIN

11

YMR000350

RETAINER, SPRING

12

YMR000210

SEAT, NOZZLE SPRING

13

YMR000095

SPRING

14

YMR000211

TAPPET

21

YMR000213

LOCKING, TAPPET

22

YMR000214

O-RING

23

YMR000288

VALVE DELIVERY

26

YMR000215

SPRING

27

YMR000216

GUARD, DELIVERY VALVE

28

YMR000087

GASKET

29

YMR000088

O-RING

30

YMR000217

STOPPER

31

YMR000218

LOCKING (A)

32

YMR000219

LOCKING (B)

33

YMR000220

DEFLECTOR

34

YMR000221

CHECK BOLT

35

YMR000222

PLUG

36

YMR000223

KIT, SHIM

41

YMR000224

RACK

42

YMR000225

BUSHING

43

YMR000226

SPACER

44

YMR000227

RING, SNAP

45

YMR000228

PINION

46

YMR000074

SCREW

47

YMR000351

PINION

48

YMR000229

PLUG

49

YMR000230

O-RING

50

YMR000231

SPRING

51

YMR000232

KIT, SHIM

70

YMR000233

COVER

71

YMR000234

GASKET

72

YMR000235

COVER

73

YMR000236

GASKET

74

YMR000237

LOCKING, RACK

75

YMR000260

PLATE, CAUTION

76

YMR000238

SPACER T=3.25

77

YMR000239

SPACER T=1.5

78

YMR001016

SPRING WASHER

79

YMR000364

PEG

80

YMR000381

BEARING

81

YMR000387

O-RING

82

YMR000393

SCREW

83

YMR000394

SCREW

84

YMR000415

SCREW

85

YMR000206

STUD

86

YMR000428

NUT

87

YMR001017

GASKET

88

YMR000240

GASKET

89

YMR000480

PUMP, ASSY.

91

YMR000262

DIAPHRAGM

93

YMR000263

COVER

94

YMR000264

GASKET

95

YMR000265

BOLT

96

YMR000266

PLUG

97

YMR000268

SPRING

98

YMR000269

TAPPET

99

YMR000270

SPRING

100

YMR000271

PIN

101

YMR000272

LINK

102

YMR000273

SPRING

103

YMR000274

PIN

104

YMR000275

O-RING

105

YMR000187

FUEL INJECTION GEAR

106

YMR000358

WASHER

107

YMR000429

NUT

Выбрано товаров: 72