Запчасти Komatsu PC30-7 ПРУЖИНА (ДЛЯ РЕЗИН. SHOE) ХОДОВАЯ

Схема запчастей Komatsu PC30-7 - ПРУЖИНА (ДЛЯ РЕЗИН. SHOE) ХОДОВАЯ
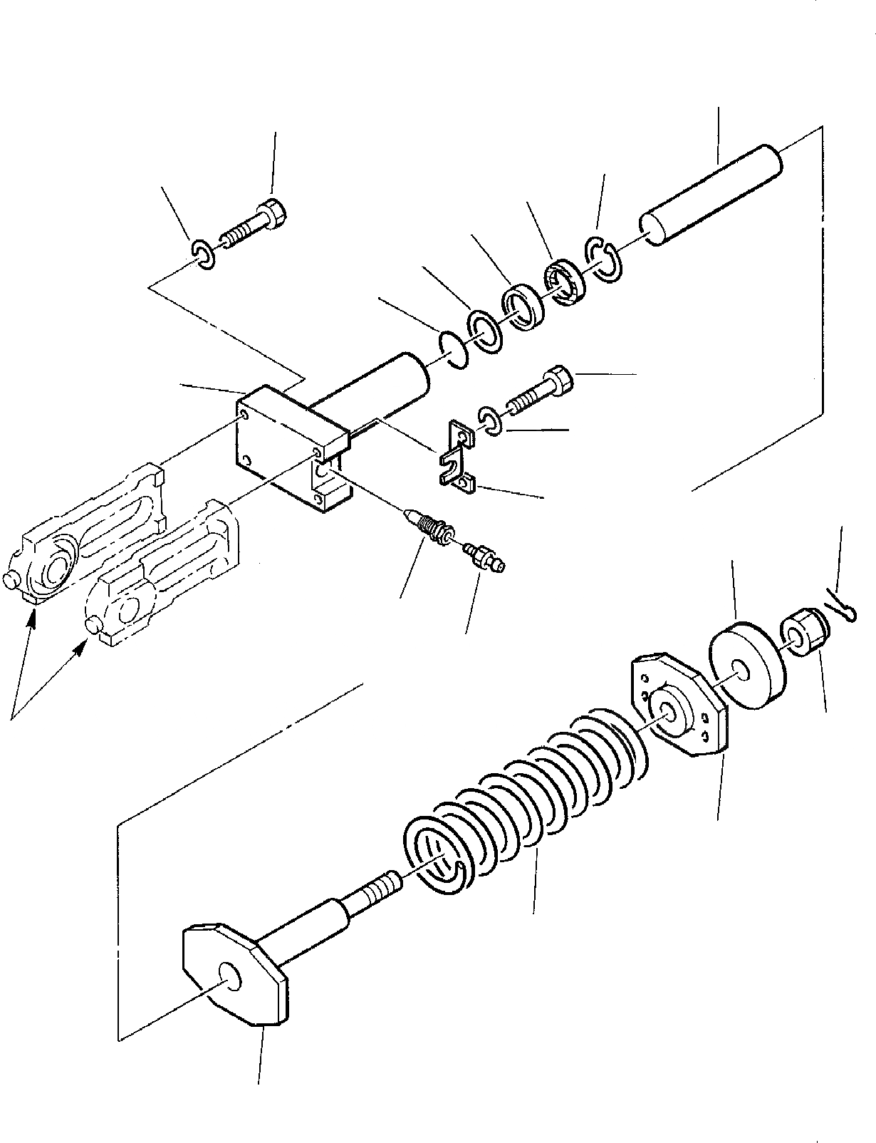
7
A
17
6
18
5
4
3
2
17
1
18
16
13
11
14
15
12
10
9
8
FIT
1:1
100%

Артикул

Название

Примечание

Количество

1

200514055

CYLINDER

2

855661403

O-RING

3

855080824

RING, WEAR

4

500256358

SPACER

5

855661153

GASKET

6

802250552

RING, SNAP

7

500327259

PISTON

8

200329092

PISTON ROD

9

804040015

SPRING

10

500119492

PLATE

11

3F3027600

SPACER

11

3F3027601

SPACER

12

801070025

NUT

13

802610088

PIN, COTTER

14

3F1027051

VALVE

15

860010009

FITTING

16

500158818

PLATE

17

801015577

BOLT

18

802150512

SPRING WASHER

Выбрано товаров: 19