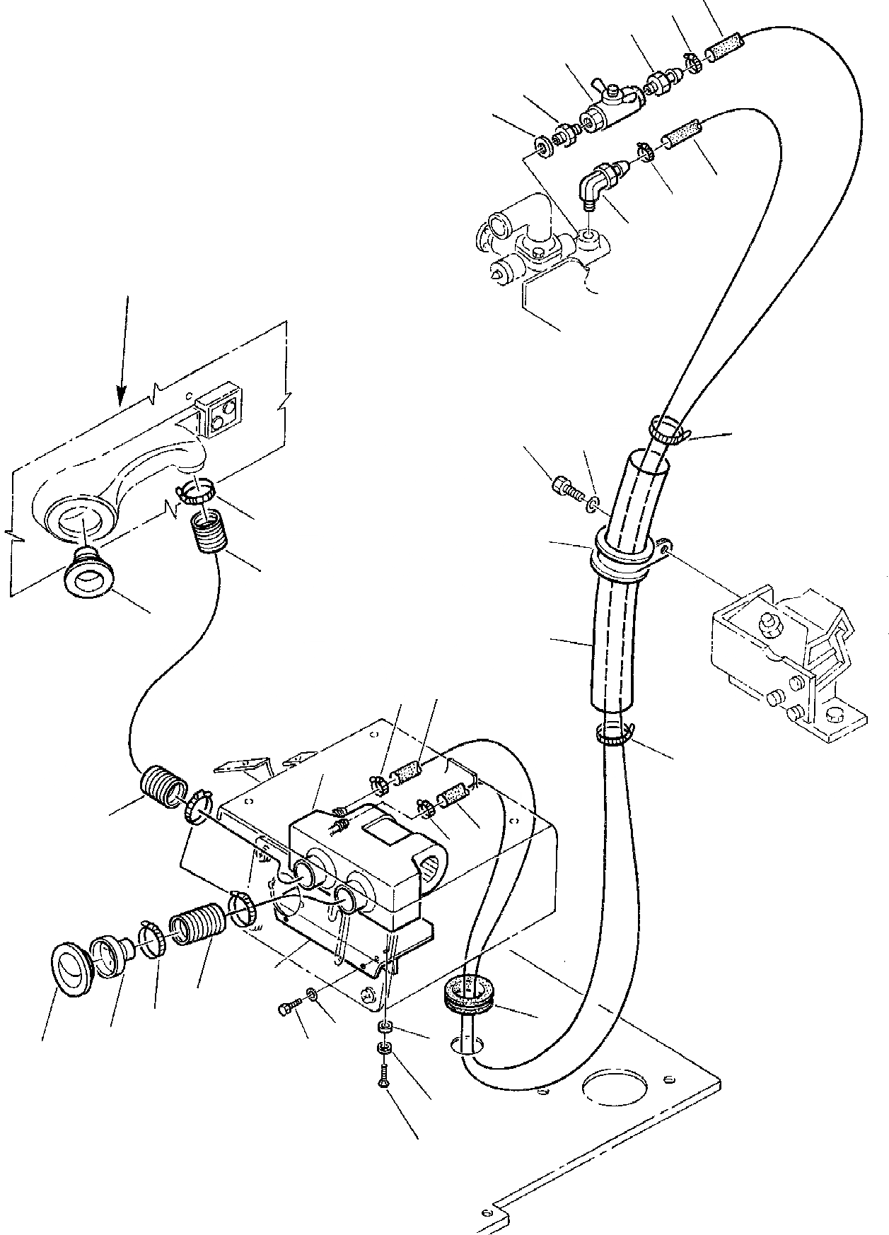
Запчасти Komatsu PC30-7 СИСТЕМА ПОДОГРЕВА ЧАСТИ КОРПУСА И КАБИНА

Схема запчастей Komatsu PC30-7 - СИСТЕМА ПОДОГРЕВА ЧАСТИ КОРПУСА И КАБИНА
8
9
14
A
15
16
17
8
9
13
12
25
26
19
24
22
23
11
8
9
12
4
22
8
9
19
1
18
19
10
3
20
7
2
21
6
5
FIT
1:1
100%

Артикул

Название

Примечание

Количество

1

306422720

SUPPORT

2

801015086

BOLT

3

802170001

WASHER

4

888011027

HEATER

5

801370080

SCREW

6

802120007

SPRING WASHER

7

802070006

WASHER

8

852951212

HOSE

9

802660003

HOSE-CLAMP

10

885411049

RUBBER

11

3F0549605

PROTECTION

12

885180004

HOSE-CLAMP

13

390032018

ELBOW

14

500358628

UNION

15

816213954

COCK

16

500354406

UNION

17

802090014

GASKET

18

3F1049602

HOSE

19

802660012

CLAMP

20

888011024

REDUCTION

21

888011014

STUB

22

3F1049601

HOSE

23

816213913

STUB

24

802660027

COLLAR

25

801015109

SCREW

26

802170002

WASHER

Выбрано товаров: 26