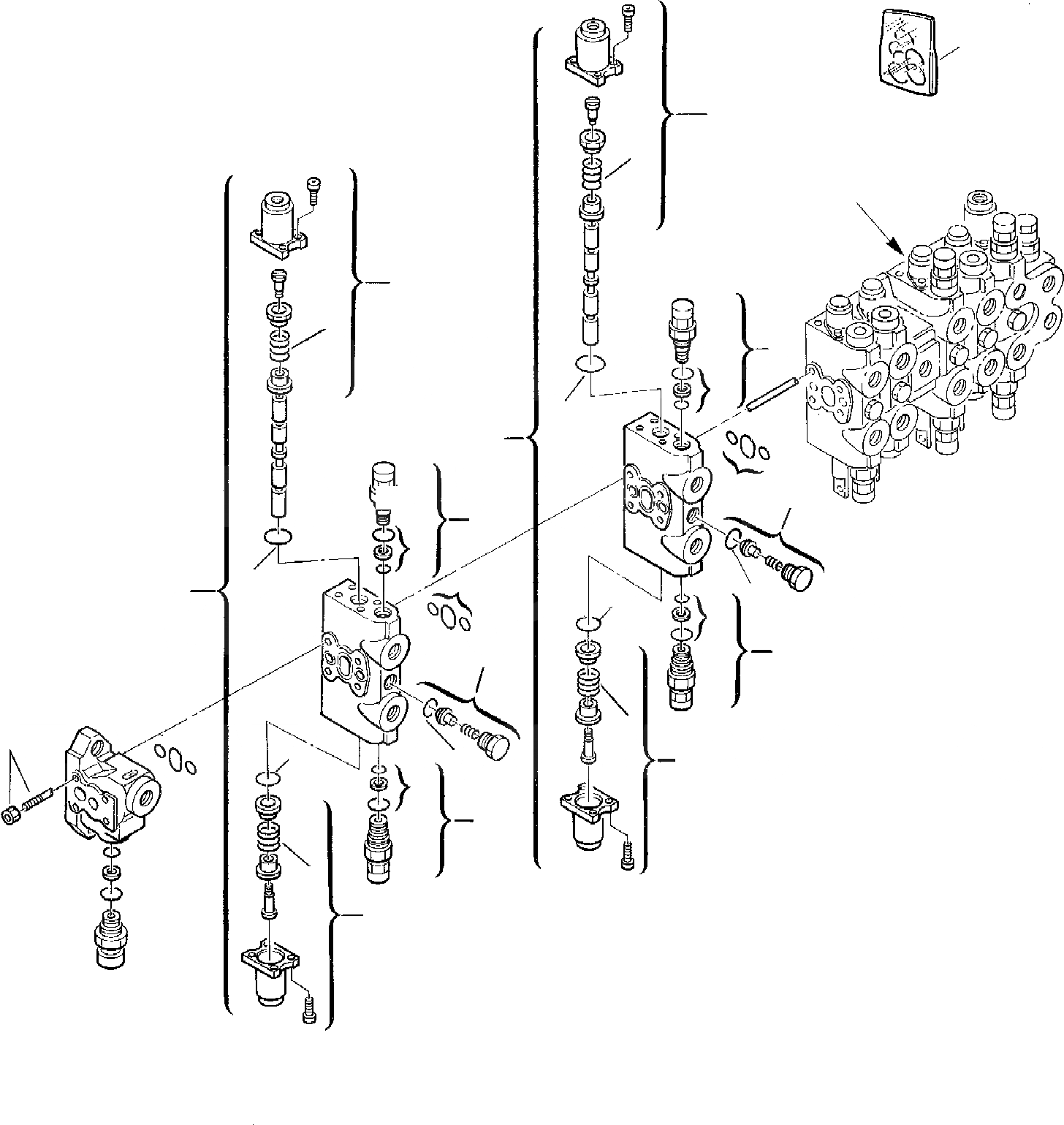
Запчасти Komatsu PC30-7 7-СЕКЦИОНН. УПРАВЛЯЮЩ. КЛАПАН (/) УПРАВЛ-Е РАБОЧИМ ОБОРУДОВАНИЕМ

Схема запчастей Komatsu PC30-7 - 7-СЕКЦИОНН. УПРАВЛЯЮЩ. КЛАПАН (/) УПРАВЛ-Е РАБОЧИМ ОБОРУДОВАНИЕМ
A
22
17
18
9
10
19
20
15
14
16
21
11
12
8
7
6
15
15
20
19
13
3
18
1
7
17
7
12
11
2
5
10
4
9
4
5
2
3
FIT
1:1
100%

Артикул

Название

Примечание

Количество

\0

844020159

CONTROL VALVE, ASSY.

\0

844020197

CONTROL VALVE, ASSY.

1

844200167

KIT, TIE-ROD

2

844200356

INLET SECTION

2

844200382

INLET SECTION

3

844200175

KIT, GASKET

4

845010257

MAIN SAFETY VALVE

5

844200174

KIT, GASKET

6

844200355

ELEMENT, BOOM

6

844200383

ELEMENT, BOOM

7

844200173

KIT, SPOOL GASKET

8

844200175

KIT, GASKET

9

844200171

SPOOL RETURN UNIT

10

844200172

SPRING

11

845010257

SAFETY VALVE

12

844200174

KIT, GASKET

13

845010260

VALVE

14

844200354

BUCKET SECTION

15

844200173

KIT, SPOOL GASKET

16

844200175

KIT, GASKET

17

844200171

SPOOL RETURN UNIT

18

844200172

SPRING

19

845010257

SAFETY VALVE

20

844200174

KIT, GASKET

21

845010260

VALVE

22

844200176

KIT, GASKET

Выбрано товаров: 26