Запчасти Komatsu PC300-1 ПАНЕЛЬ ПРИБОРОВ (/) КОМПОНЕНТЫ ДВИГАТЕЛЯ И ЭЛЕКТРИКА

Схема запчастей Komatsu PC300-1 - ПАНЕЛЬ ПРИБОРОВ (/) КОМПОНЕНТЫ ДВИГАТЕЛЯ И ЭЛЕКТРИКА
FIT
1:1
100%

Артикул

Название

Примечание

Количество

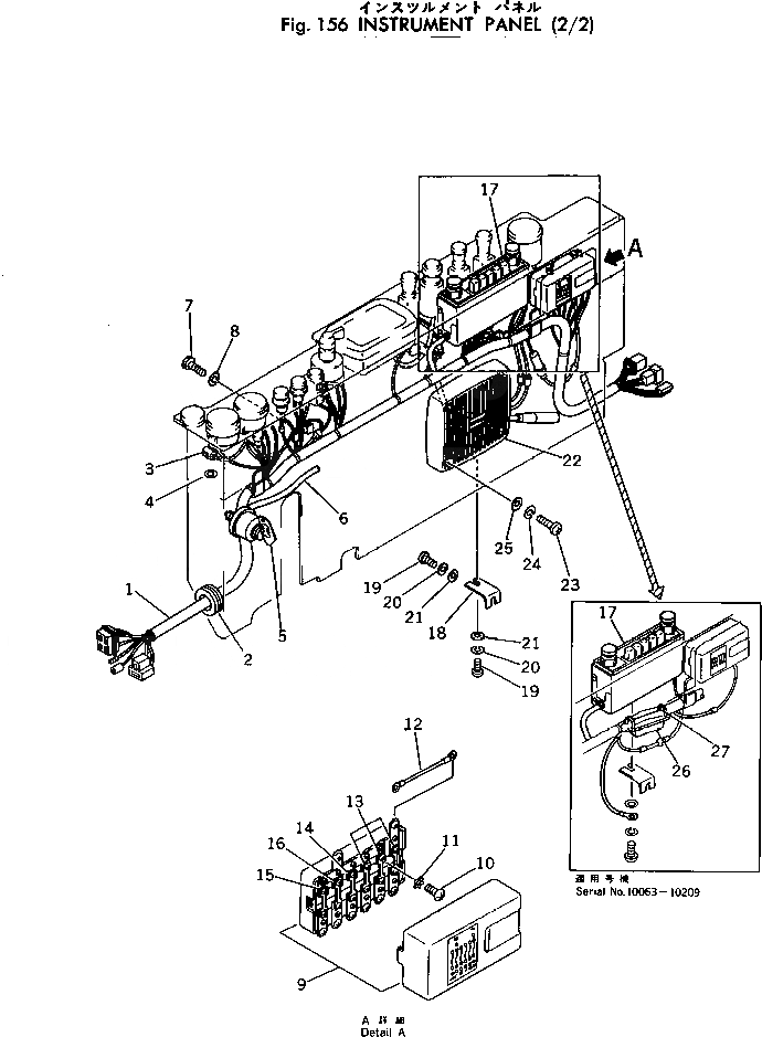
1

207-06-11224

WIRE ASS'Y

2

08037-02512

GROMMET

3

205-06-51290

CONDENSER

4

01641-20508

WASHER

5

08066-00000

SWITCH,BATTERY

6

08028-15125

WIRE

6

08028-15150

WIRE, 1500MM

7

01010-30612

BOLT

8

01602-00619

WASHER,SPRING

9

175-06-35430

BOX,FUSE

10

01220-30616

SCREW

11

01611-06063

WASHER

12

178-06-12290

WIRE

13

175-06-35420

FUSE, 10A

14

175-06-35410

FUSE, 20A

15

175-06-35390

FUSE, 30A

16

175-06-35380

FUSE, 40A

17

209-06-11720

RADIO,(FOR JAPAN)

17

205-06-62310

RADIO,(FOR JAPAN)

17

209-06-11720

RADIO,(EXCEPT JAPAN)

18

205-06-62280

BRACKET

19

01220-30512

SCREW

20

01601-00513

WASHER,SPRING

21

01641-00508

WASHER

22

209-06-11730

SPEAKER,(FOR JAPAN)

22

205-06-62320

SPEAKER,(FOR JAPAN)

22

209-06-11730

SPEAKER,(EXCEPT JAPAN)

23

01220-30420

SCREW

24

01601-00410

WASHER,SPRING

25

01641-00405

WASHER

26

205-06-62340

FILTER

27

08034-00519

BAND

Выбрано товаров: 32