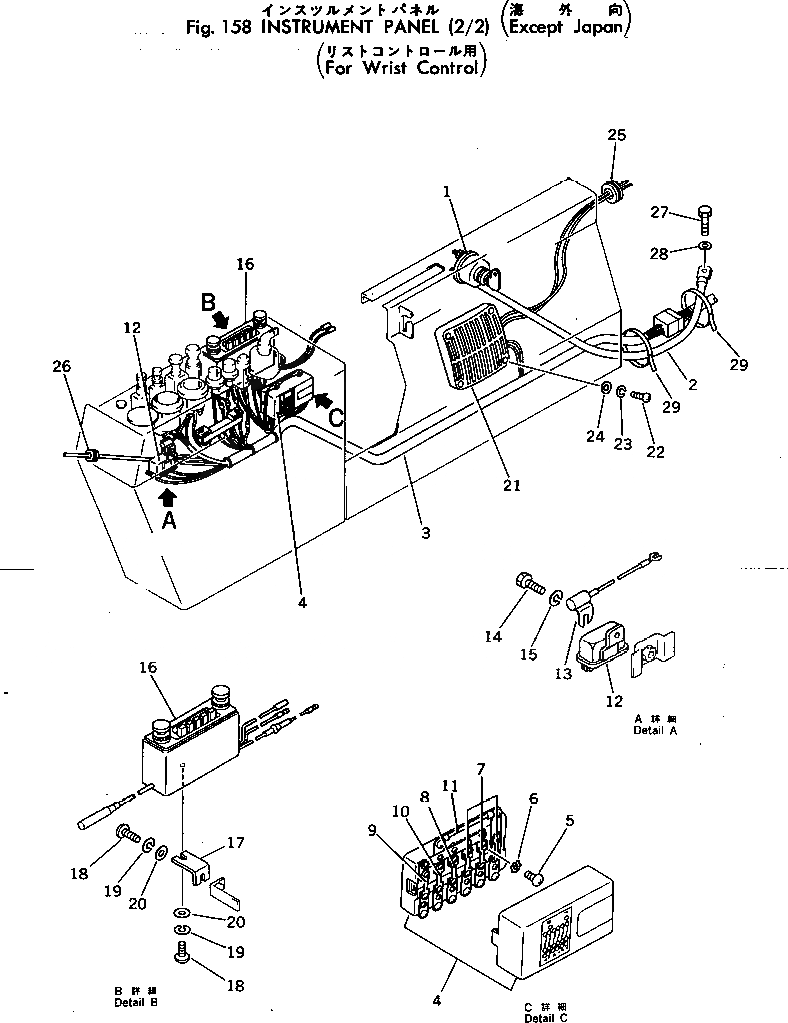
Запчасти Komatsu PC300-2 ПАНЕЛЬ ПРИБОРОВ (/) (E.J.) (FWC) КОМПОНЕНТЫ ДВИГАТЕЛЯ И ЭЛЕКТРИКА

Схема запчастей Komatsu PC300-2 - ПАНЕЛЬ ПРИБОРОВ (/) (E.J.) (FWC) КОМПОНЕНТЫ ДВИГАТЕЛЯ И ЭЛЕКТРИКА
FIT
1:1
100%

Артикул

Название

Примечание

Количество

1

08066-00000

SWITCH,BATTERY

2

08028-15100

WIRE, 1000MM

3

207-06-15160

WIRING HARNESS

4

175-06-35430

BOX,FUSE

5

01220-40616

SCREW

6

01611-06063

WASHER

7

175-06-35420

FUSE, 10A

8

175-06-35410

FUSE, 20A

9

175-06-35390

FUSE, 30A

10

175-06-35380

FUSE, 40A

11

178-06-12290

WIRE

12

206-06-41130

RELAY,HORN

13

205-06-51290

CONDENSER

14

01010-50616

BOLT

15

01602-20619

WASHER,SPRING

16

209-06-11720

RADIO

17

205-06-64140

BRACKET

18

01220-40512

SCREW

19

01601-20513

WASHER,SPRING

20

01642-20508

WASHER

21

209-06-11730

SPEAKER

22

01220-40420

SCREW

23

01601-20410

WASHER,SPRING

24

01641-20405

WASHER

25

08037-02512

GROMMET

26

08037-01008

GROMMET

27

01010-51025

BOLT

28

01643-31032

WASHER

29

08034-00536

BAND

Выбрано товаров: 29