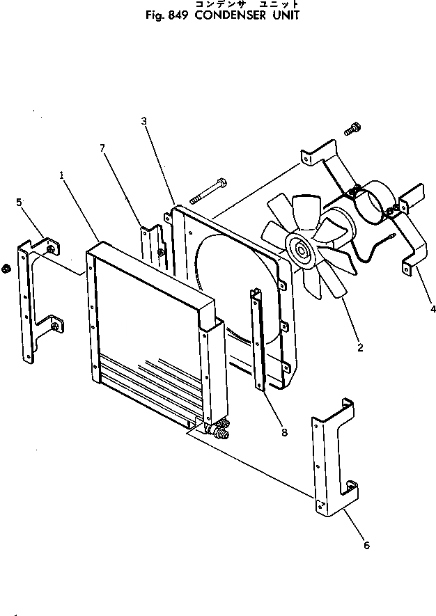
Запчасти Komatsu PC300-2 КОНДЕНСАТОР БЛОК ОПЦИОННЫЕ КОМПОНЕНТЫ

Схема запчастей Komatsu PC300-2 - КОНДЕНСАТОР БЛОК ОПЦИОННЫЕ КОМПОНЕНТЫ
FIT
1:1
100%

Артикул

Название

Примечание

Количество

|$0

205-981-5120

CONDENSER UNIT

1

205-978-6370

CONDENSER

2

205-978-6380

MOTOR

3

205-978-6390

SHROUD

4

205-978-6410

BRACKET

5

205-978-6420

BRACKET

6

205-978-6430

BRACKET

7

205-978-6440

BRACKET

8

205-978-6450

BRACKET

Выбрано товаров: 9