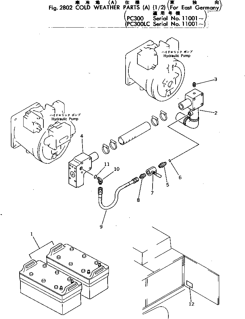
Запчасти Komatsu PC300-2 МОРОЗОУСТОЙЧИВ. СПЕЦ-Я ЧАСТИ (A) (/) (ДЛЯ EAST ГЕРМАН.) ОПЦИОННЫЕ КОМПОНЕНТЫ (СПЕЦ. APPLICATION ЧАСТИ)

Схема запчастей Komatsu PC300-2 - МОРОЗОУСТОЙЧИВ. СПЕЦ-Я ЧАСТИ (A) (/) (ДЛЯ EAST ГЕРМАН.) ОПЦИОННЫЕ КОМПОНЕНТЫ (СПЕЦ. APPLICATION ЧАСТИ)
FIT
1:1
100%

Артикул

Название

Примечание

Количество

1

08000-02221

BATTERY (C200)

2

205-62-69650

TUBE

3

07042-70312

PLUG

4

205-62-69640

TUBE

5

205-62-69670

NIPPLE

6

07002-02434

O-RING

7

208-62-19140

VALVE

8

205-62-69660

NIPPLE

9

07102-20505

HOSE

10

07235-10522

ELBOW

11

07002-02434

O-RING

12

208-00-14390

PLATE, CAUTION

Выбрано товаров: 12