Качественные детали и логистика
Оригинальные и аналоговые запчасти с доставкой по России, Казахстану и Беларуси
©2022 PartSell ООО "Система" ИНН 2463123282 ОГРН 1212400004838
Центральный офис: г. Красноярск, Академика Киренского, д.87, пом.4
Телефон: 8 (800) 777-65-74 Email: zakaz@partsell.ru
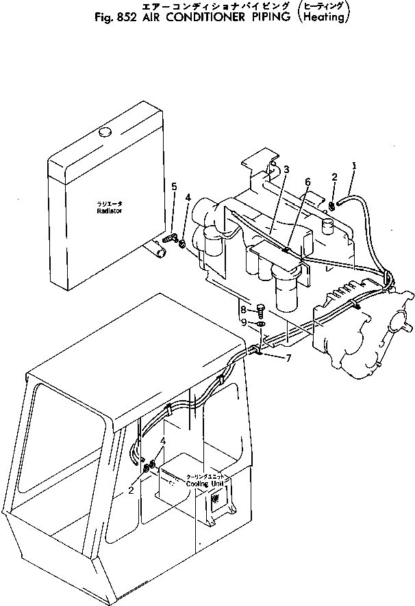
ТРУБКИ КОНДИЦИОНЕРА
№
Артикул
Название
Примечание
Количество
1
09483-00450
HOSE
2
07281-00259
CLAMP
3
09483-00445
4
5
202-981-1340
JOINT
6
08036-02514
CLIP
7
154-06-13780
8
01010-51020
BOLT
9
01643-31032
WASHER
Выбрано товаров: 0