Запчасти Komatsu PC300-2 МАРКИРОВКА (ЯПОН.) ОСНОВНАЯ РАМА И КАБИНА

Схема запчастей Komatsu PC300-2 - МАРКИРОВКА (ЯПОН.) ОСНОВНАЯ РАМА И КАБИНА
FIT
1:1
100%

Артикул

Название

Примечание

Количество

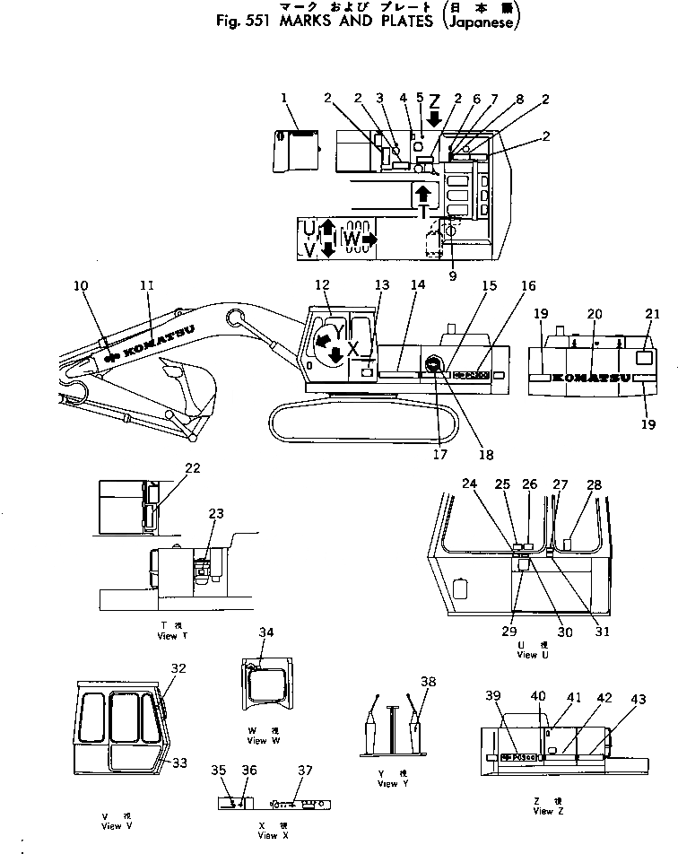
1

207-00-13220

PLATE

2

154-54-23260

SEAT

3

09669-00002

PLATE¤ CAUTION

4

09653-00100

PLATE¤ SAFETY

5

09669-00003

PLATE¤ CAUTION

6

09650-01103

PLATE¤ INSTRUCTION

7

09668-00100

PLATE¤ SAFETY

8

09667-00100

PLATE¤ SAFETY

9

08670-00635

INDICATOR

10

207-00-13121

PLATE¤ MARK

11

207-00-13131

PLATE¤ MARK

12

205-00-63770

PLATE

13

09602-01643

PLATE¤ NAME

|13

01220-60408

SCREW

14

207-00-13150

STRIPE

15

207-00-13160

STRIPE

|15

207-00-13880

STRIPE

16

207-00-13141

PLATE

|16

207-00-13850

PLATE

17

09639-00305

PLATE¤ INSTRUCTION

18

09638-50305

PLATE¤ CAUTION

19

207-00-13210

STRIPE

20

207-00-13131

PLATE¤ MARK

21

09133-00100

PLATE¤ SAFETY

22

154-54-23260

SEAT

23

09644-00120

PLATE¤ INSTRUCTION

24

09651-00100

PLATE¤ SAFETY

25

207-00-13231

PLATE¤ CAUTION

26

205-00-65190

PLATE¤ CAUTION

27

09173-00100

PLATE¤ SAFETY

28

09659-20100

PLATE¤ SAFETY

29

207-00-12122

PLATE

|29

207-00-12270

PLATE

30

09131-00100

PLATE¤ SAFETY

31

205-00-63250

PLATE¤ CAUTION

32

205-00-52192

PLATE¤ CAUTION

33

207-54-18551

COVER

|33

205-00-65310

CLIP ASS'Y

34

205-00-63230

PLATE¤ CAUTION

35

09685-00002

PLATE¤ OPERATING

36

175-98-31150

PLATE¤ OPERATING

37

207-00-14320

PLATE¤ OPERATING

|37

09683-01060

PLATE¤ OPERATING

38

09685-00001

PLATE¤ OPERATING

39

207-00-13141

PLATE

|39

207-00-13850

PLATE

40

207-00-13192

STRIPE

41

203-00-31120

PLATE¤ INSTRUCTION

42

207-00-13171

STRIPE

|42

207-00-13181

STRIPE

43

207-00-13171

STRIPE

Выбрано товаров: 51