Запчасти Komatsu PC300-3 ДОПОЛН. ГИДРОЛИНИЯ (CHANGE ROTOR И ПОВОРОТНОЕ СОЕДИНЕНИЕ) ОПЦИОННЫЕ КОМПОНЕНТЫ

Схема запчастей Komatsu PC300-3 - ДОПОЛН. ГИДРОЛИНИЯ (CHANGE ROTOR И ПОВОРОТНОЕ СОЕДИНЕНИЕ) ОПЦИОННЫЕ КОМПОНЕНТЫ
FIT
1:1
100%

Артикул

Название

Примечание

Количество

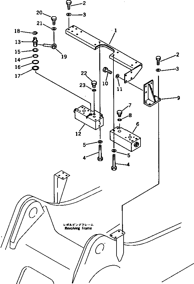
1

207-970-3251

BRACKET

2

01010-51245

BOLT

3

01643-31232

WASHER

4

01011-51205

BOLT

5

01643-31232

WASHER

6

207-970-3450

BLOCK

7

07040-12414

PLUG

8

07002-12434

O-RING

9

207-970-3260

BRACKET

10

01010-51645

BOLT

11

01643-31645

WASHER

|$11

207-970-0011

ROTARY VALVE ASS'Y

12

207-970-3311

BLOCK

13

207-970-1630

SHAFT

14

07000-13042

O-RING

15

07001-03042

RING,BACK-UP

16

07000-13048

O-RING

17

07001-03048

RING,BACK-UP

18

04065-05220

RING,SNAP

19

202-970-2210

PIN

20

01010-51230

BOLT

21

01643-31232

WASHER

22

07040-12414

PLUG

23

07002-12434

O-RING

Выбрано товаров: 24