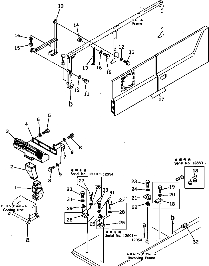
Запчасти Komatsu PC300-3 ВОЗДУХОВОД И КОМПОНЕНТЫ КОНДИЦИОНЕРА ОПЦИОННЫЕ КОМПОНЕНТЫ

Схема запчастей Komatsu PC300-3 - ВОЗДУХОВОД И КОМПОНЕНТЫ КОНДИЦИОНЕРА ОПЦИОННЫЕ КОМПОНЕНТЫ
FIT
1:1
100%

Артикул

Название

Примечание

Количество

1

205-979-6120

DUCT

2

205-979-6140

DUCT

3

205-979-6130

DUCT

4

205-979-6171

BRACKET

5

01010-50812

BOLT

6

01643-30823

WASHER

7

205-979-1240

BRACKET

8

01010-50816

BOLT

9

01643-30823

WASHER

10

207-978-3281

FRAME

11

01010-51225

BOLT

12

01643-31232

WASHER

13

207-979-3480

PLATE

14

01580-01210

NUT

15

01010-51230

BOLT

16

01643-31232

WASHER

17

207-978-3290

DOOR

18

09415-02520

CAP

18

207-979-3431

COVER

19

01010-51020

BOLT

20

01643-31032

WASHER

21

205-979-1270

COVER

22

205-979-1280

SEAL

23

01010-51020

BOLT

24

01643-31032

WASHER

25

205-979-1310

BRACKET,L.H.

26

205-979-1320

BRACKET,R.H.

27

01010-51055

BOLT

28

01643-31032

WASHER

29

22D-62-14560

CLAMP

30

01010-50816

BOLT

31

01643-30823

WASHER

32

207-978-3330

SEAT

Выбрано товаров: 33