Качественные детали и логистика
Оригинальные и аналоговые запчасти с доставкой по России, Казахстану и Беларуси
©2022 PartSell ООО "Система" ИНН 2463123282 ОГРН 1212400004838
Центральный офис: г. Красноярск, Академика Киренского, д.87, пом.4
Телефон: 8 (800) 777-65-74 Email: zakaz@partsell.ru
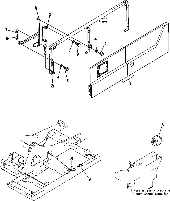
CAR ОХЛАДИТЕЛЬ КОМПОНЕНТЫ
№
Артикул
Название
Примечание
Количество
1
207-978-3290
DOOR
2
207-978-3281
FRAME
3
01010-51225
BOLT
4
01643-31232
WASHER
5
207-978-3171
BRACKET
6
7
8
205-978-7410
COVER,(FOR WRIST CONTROL)
9
207-978-3330
SEAT
Выбрано товаров: 0