Запчасти Komatsu PC300-3 WRIST УПРАВЛ-Е И СТОЙКА¤ ПРАВ. (/)(№-) ПОВОРОТН. И СИСТЕМА УПРАВЛЕНИЯ

Схема запчастей Komatsu PC300-3 - WRIST УПРАВЛ-Е И СТОЙКА¤ ПРАВ. (/)(№-) ПОВОРОТН. И СИСТЕМА УПРАВЛЕНИЯ
FIT
1:1
100%

Артикул

Название

Примечание

Количество

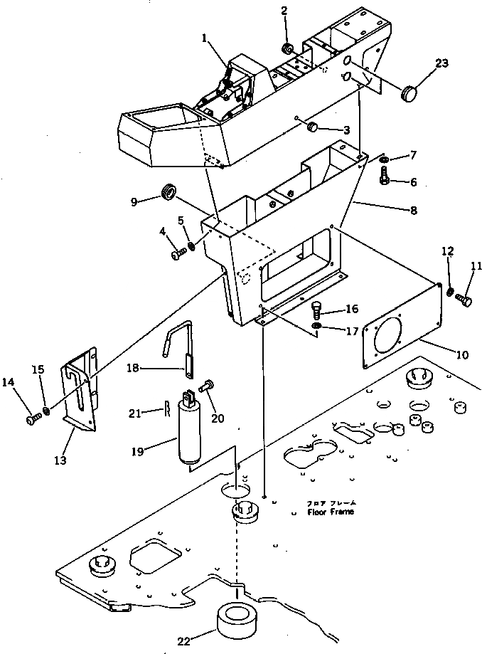
1

207-43-33120

BOX

2

08037-02512

GROMMET

3

09415-01610

CAP

4

198-911-3430

SCREW

5

198-911-3160

WASHER

6

01010-50820

BOLT

7

01643-30823

WASHER

8

207-43-33111

CASE

9

08037-02512

GROMMET

10

205-43-71673

COVER

11

01010-50820

BOLT

12

01643-30823

WASHER

13

207-43-33130

COVER

14

198-911-3430

SCREW

15

198-911-3160

WASHER

16

01010-51225

BOLT

17

01643-31232

WASHER

18

207-43-31130

BAR

19

207-43-31140

PIN

20

04205-11232

PIN

21

04052-01253

PIN,SNAP

22

207-43-31150

CUSHION

23

09415-02512

CAP

Выбрано товаров: 0