Запчасти Komatsu PC300-3 УПРАВЛЯЮЩ. КЛАПАН (/7) УПРАВЛ-Е РАБОЧИМ ОБОРУДОВАНИЕМ

Схема запчастей Komatsu PC300-3 - УПРАВЛЯЮЩ. КЛАПАН (/7) УПРАВЛ-Е РАБОЧИМ ОБОРУДОВАНИЕМ
FIT
1:1
100%

Артикул

Название

Примечание

Количество

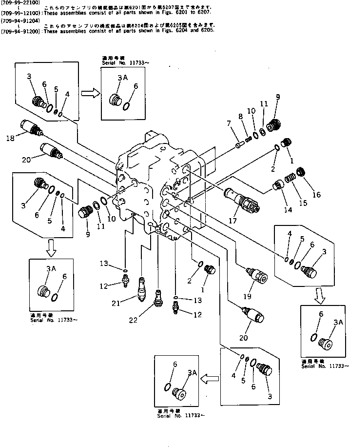
|1

709-99-21101

CONTROL VALVE ASS'Y

|1

709-99-21100

CONTROL VALVE ASS'Y

|1

709-99-11109

CONTROL VALVE ASS'Y

|1

709-99-11108

CONTROL VALVE ASS'Y

|1

709-99-11107

CONTROL VALVE ASS'Y

|1

709-99-11105

CONTROL VALVE ASS'Y

|1

709-99-11104

CONTROL VALVE ASS'Y

|1

709-99-11103

CONTROL VALVE ASS'Y

|1

709-99-11102

CONTROL VALVE ASS'Y

|1

709-99-11101

CONTROL VALVE ASS'Y

|1

709-99-11100

CONTROL VALVE ASS'Y

|1

709-94-91104

VALVE ASS'Y

|1

709-94-91103

VALVE ASS'Y

|1

709-94-91102

VALVE ASS'Y

|1

709-94-00010

VALVE ASS'Y

|1

709-94-91100

VALVE ASS'Y

1

700-22-11370

PLUG

2

07002-12434

O-RING

3

700-94-11260

PLUG

3A

07040-13618

PLUG

|3A

07040-13618

PLUG

4

07000-12018

O-RING

5

07001-02018

RING,BACK-UP

6

07002-03634

O-RING

|6

07002-03634

O-RING

7

709-94-92810

VALVE

|7

709-94-91740

VALVE,CHECK

8

709-94-91750

SPRING

9

709-74-92821

PLUG

|9

709-74-92820

PLUG

|9

709-75-92230

PLUG

10

700-93-11320

O-RING

11

700-93-11330

RING,BACK-UP

12

709-75-92240

UNION

|12

709-94-91710

UNION

13

07002-01623

O-RING

14

709-94-91261

VALVE

|14

709-94-91260

VALVE

15

709-94-91270

SPRING

16

709-94-91280

SEAT

17

709-90-51100

RELIEF VALVE ASS'Y

18

709-90-63101

VALVE ASS'Y

|18

709-90-63100

VALVE ASS'Y

|18

709-90-61100

VALVE ASS'Y

19

709-90-62100

SAFETY VALVE ASS'Y

20

709-90-63201

VALVE ASS'Y

|20

709-90-63200

VALVE ASS'Y

|20

709-90-61200

VALVE ASS'Y

21

709-90-59103

RELIEF VALVE ASS'Y

|21

709-90-59102

RELIEF VALVE ASS'Y

|21

709-90-59101

RELIEF VALVE ASS'Y

|21

709-90-59100

RELIEF VALVE ASS'Y

22

709-90-91300

ORIFICE ASS'Y

Выбрано товаров: 53