Запчасти Komatsu PC300-5 МОТОР ХОДА (/) УПРАВЛ-Е РАБОЧИМ ОБОРУДОВАНИЕМ

Схема запчастей Komatsu PC300-5 - МОТОР ХОДА (/) УПРАВЛ-Е РАБОЧИМ ОБОРУДОВАНИЕМ
FIT
1:1
100%

Артикул

Название

Примечание

Количество

G-1

207-27-X1100

FINAL DRIVE GROUP

|1

207-27-00105

FINAL DRIVE ASS'Y

|1

207-27-00104

FINAL DRIVE ASS'Y

|1

207-27-00103

FINAL DRIVE ASS'Y

|1

207-27-00102

FINAL DRIVE ASS'Y

|1

207-27-00101

FINAL DRIVE ASS'Y

|1

207-27-00100

FINAL DRIVE ASS'Y

|1

708-8J-00034

MOTOR ASS'Y

|1

708-8J-00033

MOTOR ASS'Y

|1

708-8J-00032

MOTOR ASS'Y

|1

708-8K-04133

END COVER ASS'Y

|1

708-8K-04132

END COVER ASS'Y

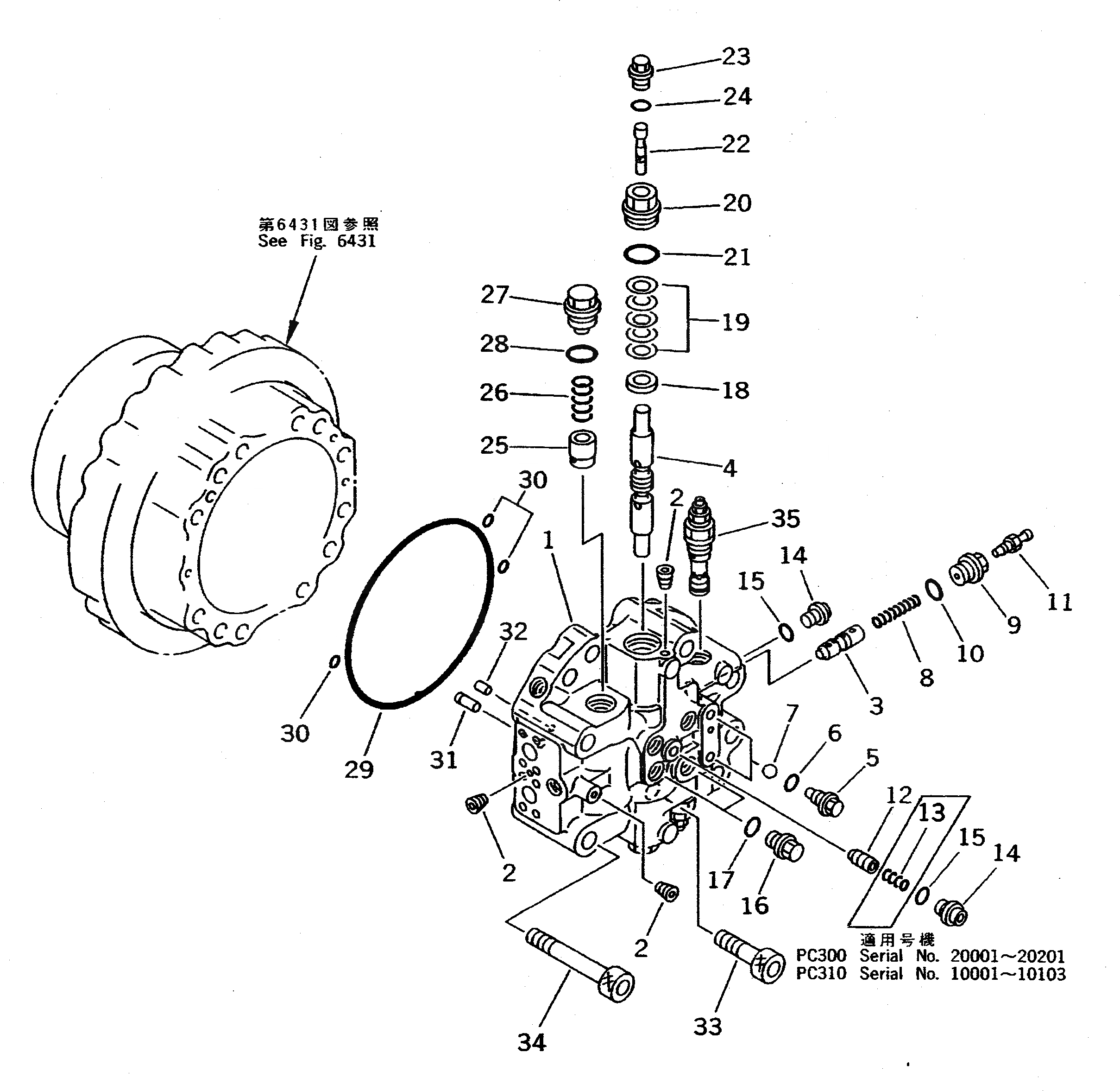
1

COVER,END

2

PLUG

3

SPOOL

4

SPOOL

|4

SPOOL

5

706-8E-14110

PLUG

6

07002-11023

O-RING

7

04260-00793

BALL

8

706-8E-14170

SPRING

9

706-8E-14390

PLUG

10

07002-11823

O-RING

11

20B-27-11210

BLEEDER

12

708-8K-16181

VALVE

13

706-76-71130

SPRING

14

708-8E-16160

PLUG

15

07002-11023

O-RING

16

706-77-72280

PLUG

17

07002-12034

O-RING

18

708-8K-16350

RING

19

708-8K-16360

SPRING

20

708-8K-16260

PLUG

21

07002-14234

O-RING

22

708-8K-16271

PISTON

23

708-8K-16280

PLUG

24

07002-11623

O-RING

25

708-8K-16150

VALVE

26

708-8K-16160

SPRING

27

708-8K-16170

PLUG

28

07002-13634

O-RING

29

07000-05270

O-RING

30

07000-12012

O-RING

31

708-8K-15190

PIN,DOWEL

32

708-18-13230

PIN

33

708-8K-11210

BOLT

34

708-8K-11220

BOLT

35

702-76-01401

VALVE ASS'Y

Выбрано товаров: 0