Запчасти Komatsu PC300-5C ЭЛЕКТРОПРОВОДКА В КАБИНЕ (ДЛЯ ПАНЕЛЬ СТОЙКА) (ДЛЯ УДЛИНН. РЫЧАГ УПРАВЛ-Е)(№-) КОМПОНЕНТЫ ДВИГАТЕЛЯ И ЭЛЕКТРИКА

Схема запчастей Komatsu PC300-5C - ЭЛЕКТРОПРОВОДКА В КАБИНЕ (ДЛЯ ПАНЕЛЬ СТОЙКА) (ДЛЯ УДЛИНН. РЫЧАГ УПРАВЛ-Е)(№-) КОМПОНЕНТЫ ДВИГАТЕЛЯ И ЭЛЕКТРИКА
FIT
1:1
100%

Артикул

Название

Примечание

Количество

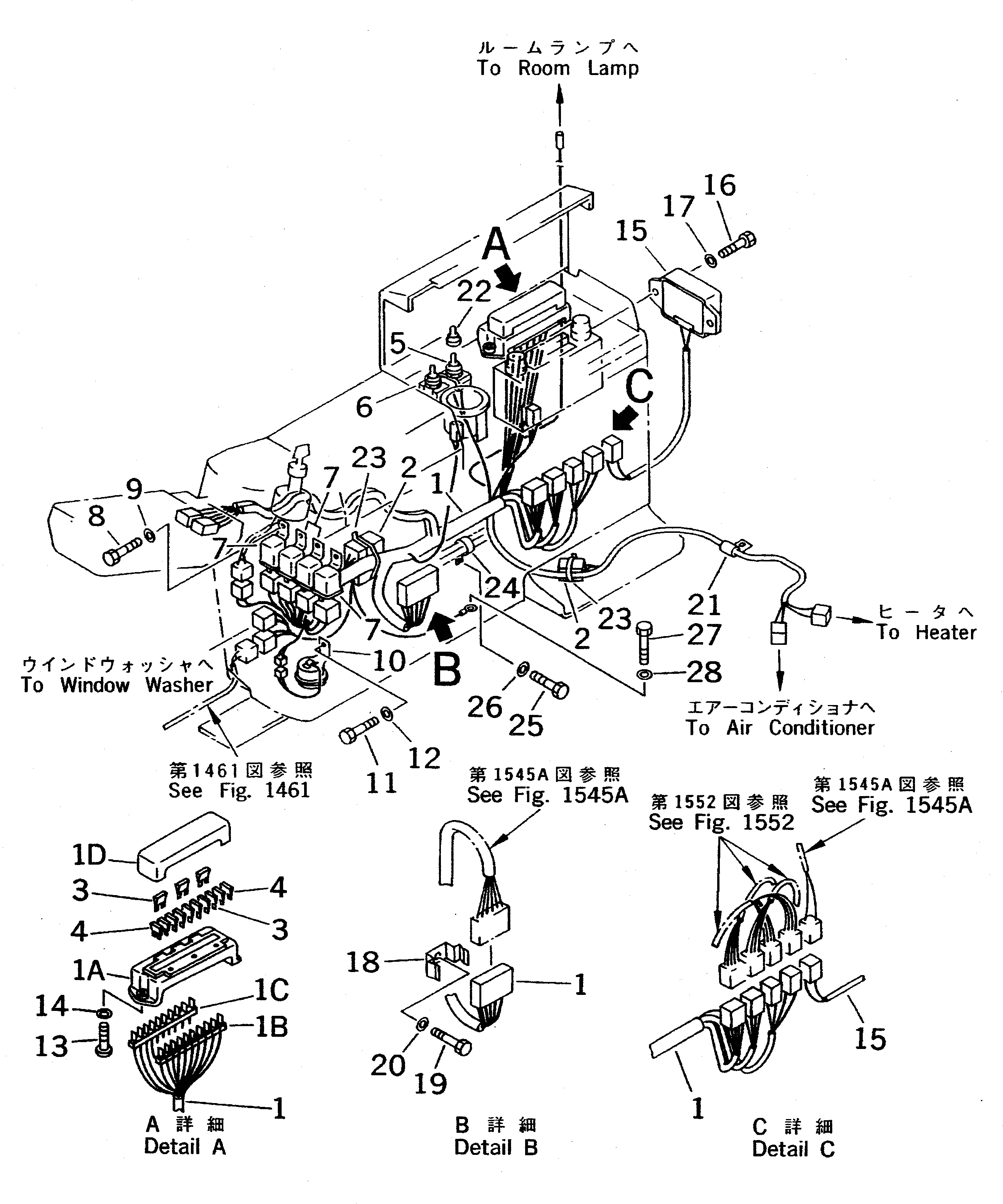
1

208-06-52350

WIRING HARNESS

1A

20Y-06-16280

BOX

1B

283-06-16160

TERMINAL

1C

20Y-06-16290

TERMINAL

1D

195-Z11-2290

COVER

2

08020-00000

DIODE

3

205-06-73180

FUSE, 15A

4

283-06-16190

FUSE, 10A

5

23S-06-14410

SWITCH

6

203-06-41570

SWITCH

7

22W-06-13450

RELAY ASS'Y

8

01010-50612

BOLT

9

01643-30623

WASHER

10

203-06-56230

BUZZER ASS'Y

11

01010-50616

BOLT

12

01643-30623

WASHER

13

01220-40616

SCREW

14

01642-20608

WASHER

15

207-06-52150

RESISTOR

16

01010-50820

BOLT

17

01643-30823

WASHER

18

08053-15012

CLIP

19

01010-51018

BOLT

20

01643-31032

WASHER

21

08036-01214

CLIP

22

203-06-41680

CAP

23

08034-00519

BAND

24

208-06-19170

CLIP

25

01010-51225

BOLT

26

01643-31232

WASHER

27

01010-51020

BOLT

28

01643-31032

WASHER

Выбрано товаров: 32