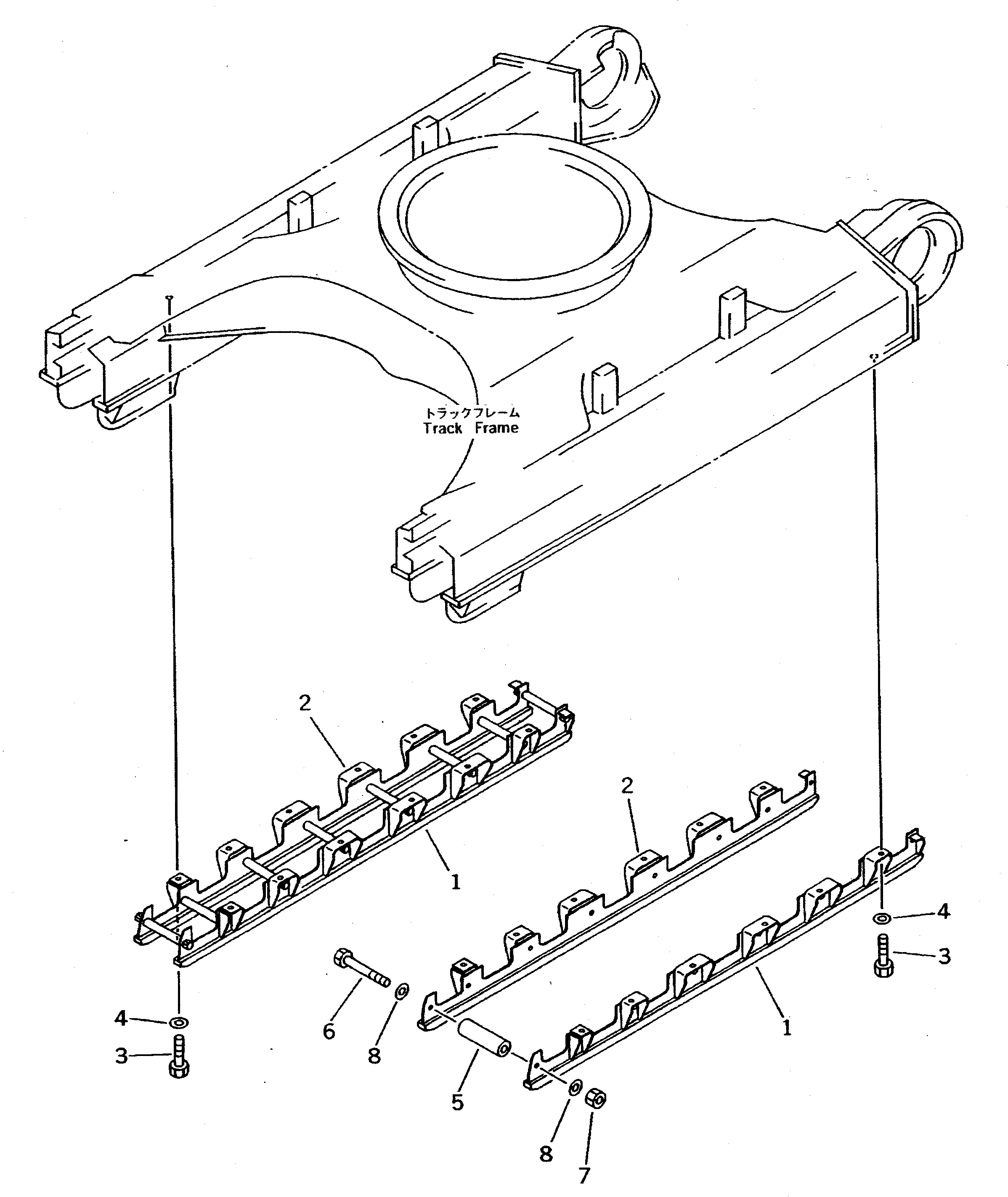
Запчасти Komatsu PC300-5C ОПОРНЫЙ КАТОК ПОЛН. ЗАЩИТА(№97-) ХОДОВАЯ

Схема запчастей Komatsu PC300-5C - ОПОРНЫЙ КАТОК ПОЛН. ЗАЩИТА(№97-) ХОДОВАЯ
FIT
1:1
100%

Артикул

Название

Примечание

Количество

1

207-30-57111

GUARD,L.H.

2

207-30-57121

GUARD,R.H.

3

01010-32450

BOLT

4

01643-32460

WASHER

5

141-30-32181

COLLAR

6

09205-18320

BOLT

7

01580-11815

NUT

8

01643-31845

WASHER

Выбрано товаров: 8