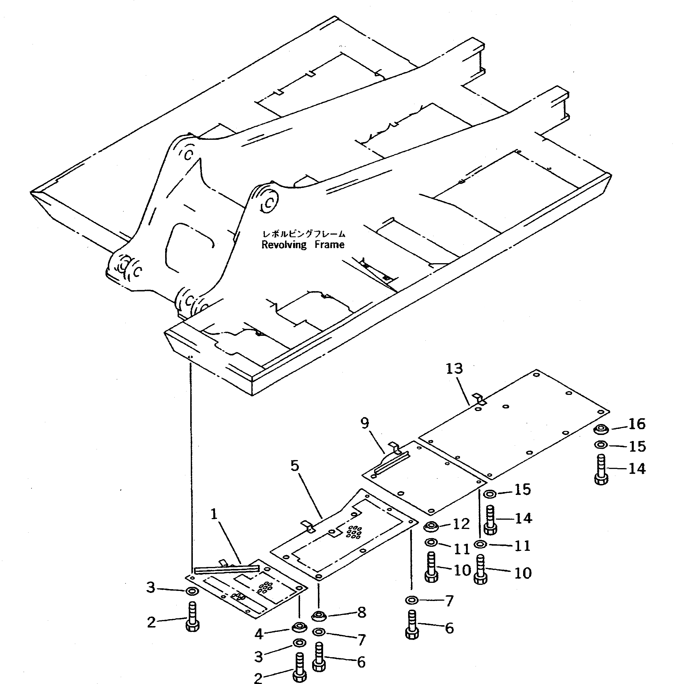
Запчасти Komatsu PC300-5K НИЖН. КРЫШКА (ДЛЯ РАМА ЛЕВ.) ЧАСТИ КОРПУСА

Схема запчастей Komatsu PC300-5K - НИЖН. КРЫШКА (ДЛЯ РАМА ЛЕВ.) ЧАСТИ КОРПУСА
FIT
1:1
100%

Артикул

Название

Примечание

Количество

1

207-54-51363

COVER

2

01010-51230

BOLT

3

01643-31232

WASHER

4

20Y-54-12550

COLLAR

5

207-54-51353

COVER

6

01010-51230

BOLT

7

01643-31232

WASHER

8

20Y-54-12550

COLLAR

9

207-54-51341

COVER

10

01010-51230

BOLT

11

01643-31232

WASHER

12

20Y-54-12550

COLLAR

13

207-54-51331

COVER

14

01010-51230

BOLT

15

01643-31232

WASHER

16

20Y-54-12550

COLLAR

Выбрано товаров: 0