Запчасти Komatsu PC300-5K ГИДР. НАСОС. (/) (НАСОС SUB В СБОРЕ) (/) УПРАВЛ-Е РАБОЧИМ ОБОРУДОВАНИЕМ

Схема запчастей Komatsu PC300-5K - ГИДР. НАСОС. (/) (НАСОС SUB В СБОРЕ) (/) УПРАВЛ-Е РАБОЧИМ ОБОРУДОВАНИЕМ
FIT
1:1
100%

Артикул

Название

Примечание

Количество

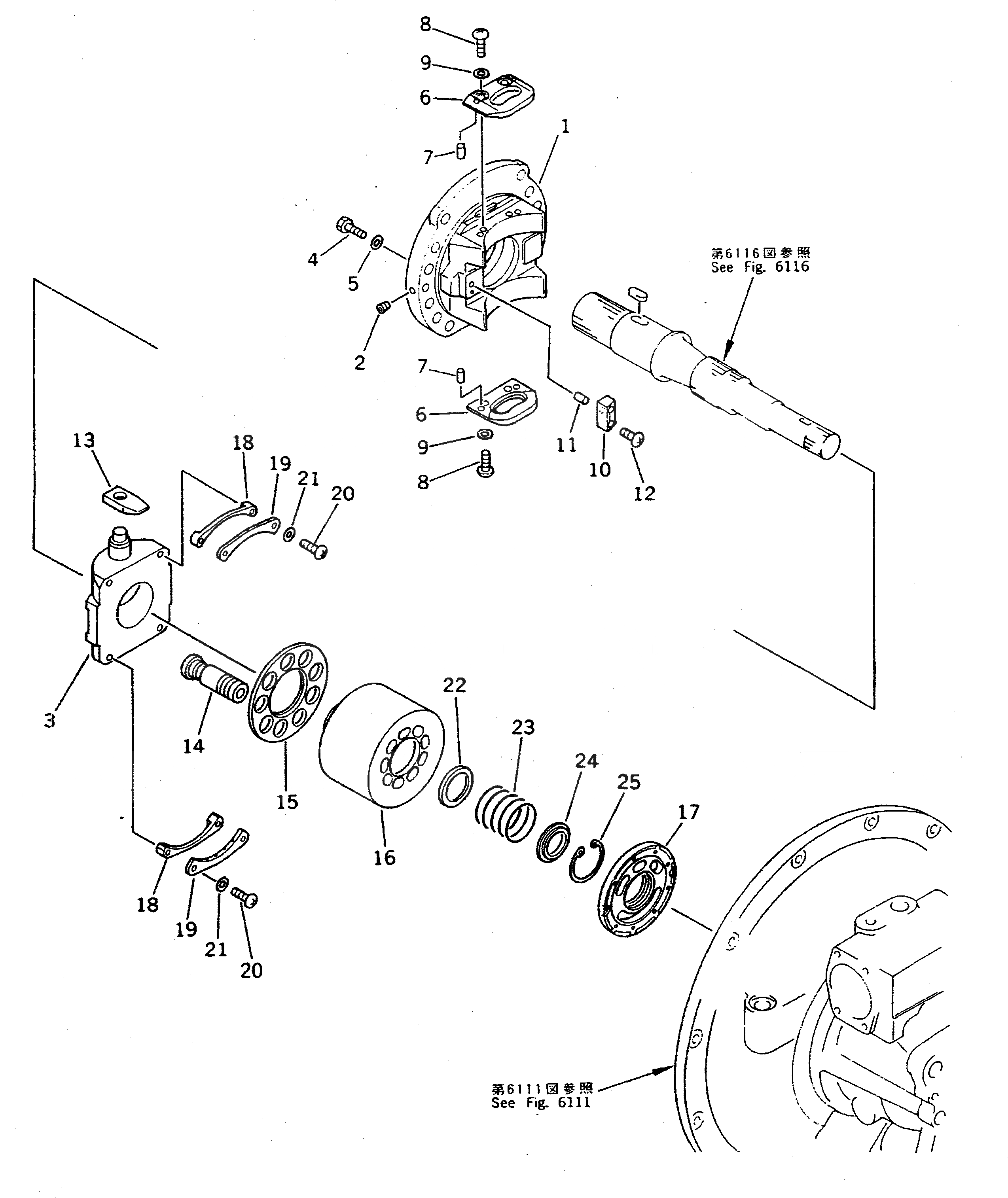
|1

708-27-04013

HYDRAULIC PUMP ASS'Y

|1

708-27-04113

PUMP ASS'Y

|1

708-27-00031

CRADLE ASS'Y,FRONT

|1

708-27-00450

CRADLE SUB ASS'Y,FRONT

1

CRADLE,FRONT

2

PLUG

3

708-27-13411

CAM,ROCKER

4

01010-51450

BOLT

5

20D-14-11510

WASHER

6

708-27-12330

PLATE

7

04020-00820

PIN,DOWEL

8

708-27-12340

SCREW

9

01643-30823

WASHER

10

708-27-12350

STOPPER

11

04020-00820

PIN,DOWEL

12

706-75-42270

SCREW

13

708-27-14121

SLIDER

14

708-27-13314

PISTON SUB ASS'Y

15

708-27-13342

RETAINER,SHOE

|16

708-27-00431

CYLINDER BLOCK A.,FRONT

16

708-27-13112

CYLINDER BLOCK,CYLINDER

17

708-27-13611

VALVE PLATE,FRONT

18

708-27-05051

SPACER KIT

|18

SPACER

|18

SPACER

|18

SPACER

19

708-27-13420

RETAINER

20

708-27-13480

SCREW

21

01643-30823

WASHER

22

708-27-13120

WASHER

23

708-27-13140

SPRING

24

708-27-13130

RETAINER

25

708-27-13150

RING,SNAP

Выбрано товаров: 33