Запчасти Komatsu PC300-6 ОСНОВН. КЛАПАН (ДАТЧИК) ( АКТУАТОР)(№-999) ГИДРАВЛИКА

Схема запчастей Komatsu PC300-6 - ОСНОВН. КЛАПАН (ДАТЧИК) ( АКТУАТОР)(№-999) ГИДРАВЛИКА
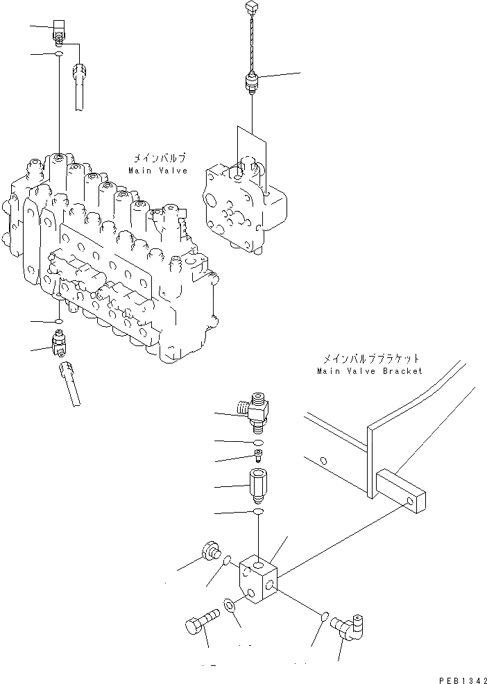
1
2
3
4
5
6
7
8
9
10
11
12
13
14
14
15
15
FIT
1:1
100%

Артикул

Название

Примечание

Количество

1

7861-92-1610

SENSOR

2

21T-62-29960

TEE

3

07002-01423

O-RING

4

20Y-60-22350

BODY

5

207-62-61690

POPPET

6

07002-01423

O-RING

7

07040-11409

PLUG

8

07002-01423

O-RING

9

207-62-52550

TEE

10

207-62-33920

ELBOW

11

07002-01423

O-RING

12

01010-51250

BOLT

13

01643-31232

WASHER

14

207-62-33920

ELBOW

15

07002-01423

O-RING

Выбрано товаров: 15