Запчасти Komatsu PC300-6 ЛЕВ. СТОЙКА (РЫЧАГ¤ КРЫШКАAND Э/ПРОВОДКА) (С РАДИО)(№-999) КАБИНА ОПЕРАТОРА И СИСТЕМА УПРАВЛЕНИЯ

Схема запчастей Komatsu PC300-6 - ЛЕВ. СТОЙКА (РЫЧАГ¤ КРЫШКАAND Э/ПРОВОДКА) (С РАДИО)(№-999) КАБИНА ОПЕРАТОРА И СИСТЕМА УПРАВЛЕНИЯ
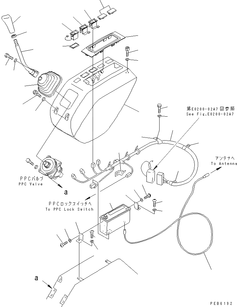
1
2
3
4
5
6
7
8
9
10
10
11
12
13
14
15
16
17
18
19
19
20
20
20
20
21
21
21
21
22
23
23
24
25
26
27
FIT
1:1
100%

Артикул

Название

Примечание

Количество

1

201-43-71131

LEVER,LH

2

20T-43-71110

KNOB

3

20T-43-71190

NUT

4

01010-81030

BOLT

5

01643-31032

WASHER

6

20T-43-71160

BOOT

7

201-54-73281

CONSOLE BOX

8

20T-54-71570

BOLT

9

20T-54-71550

BOLT

10

01643-70823

WASHER

11

201-06-71440

SWITCH

12

201-06-71230

SWITCH

13

201-54-73410

COVER

14

207-06-61531

SWITCH ASS'Y

15

201-54-73291

COVER

16

201-54-73190

SPACER

17

20Y-06-22581

WIRING HARNESS

18

20Y-06-22720

RADIO

19

201-54-73440

BRACKET

20

01220-40510

SCREW

21

01641-20508

WASHER

22

08912-51600

CORD

23

08036-02514

CLIP

24

08036-01814

CLIP

25

01010-81020

BOLT

26

01643-31032

WASHER

27

08051-00801

CLIP

Выбрано товаров: 27