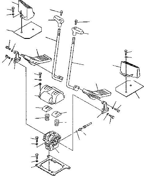
Запчасти Komatsu PC300-6 ОСНОВН. КОНСТРУКЦИЯ (РЫЧАН УПРАВЛ-Я ХОДОМ) КАБИНА ОПЕРАТОРА И СИСТЕМА УПРАВЛЕНИЯ

Схема запчастей Komatsu PC300-6 - ОСНОВН. КОНСТРУКЦИЯ (РЫЧАН УПРАВЛ-Я ХОДОМ) КАБИНА ОПЕРАТОРА И СИСТЕМА УПРАВЛЕНИЯ
16
21
27
24
23
2
3
1
12
13
4
5
5
6
7
9
8
4
14
15
25
26
10
11
1
3
2
24
23
34
33
17
22
20
19
31
32
20
18
28
29
30
FIT
1:1
100%

Артикул

Название

Примечание

Количество

1

22U-43-21150

LEVER

2

01010-81030

BOLT

3

01643-31032

WASHER

4

203-43-51620

SPRING

5

20Y-43-21140

COVER

6

20Y-43-21151

COVER

7

20Y-43-21260

COLLAR

8

01010-81025

BOLT

9

203-54-56970

WASHER

10

20Y-43-21161

PLATE

11

20Y-62-23250

PILOT VALVE ASS'Y

12

07230-20210

UNION

13

07002-01423

O-RING

14

01010-81025

BOLT

15

01643-31032

WASHER

16

22U-43-21130

LEVER, L.H.

17

22U-43-21140

LEVER, R.H.

18

20Y-43-21231

KNOB, L.H.

19

20Y-43-21241

KNOB, R.H.

20

01023-20416

SCREW

21

22U-3-21111

PEDAL, L.H.

22

22U-43-21121

PEDAL, R.H.

23

01010-81045

BOLT

24

01643-31032

WASHER

25

01010-81025

BOLT

26

01643-31032

WASHER

27

22U-54-25110

REST, FOOT, L.H.

28

01010-81025

BOLT

29

01643-31032

WASHER

30

20Y-54-25170

COVER

31

22U-54-25120

REST, FOOT, R.H.

32

01010-81025

BOLT

33

01643-31032

WASHER

34

20Y-54-25170

COVER

Выбрано товаров: 34