Запчасти Komatsu PC300-6 ОСНОВН. НАСОС (/) РЕМ. КОМПЛЕКТЫ

Схема запчастей Komatsu PC300-6 - ОСНОВН. НАСОС (/) РЕМ. КОМПЛЕКТЫ
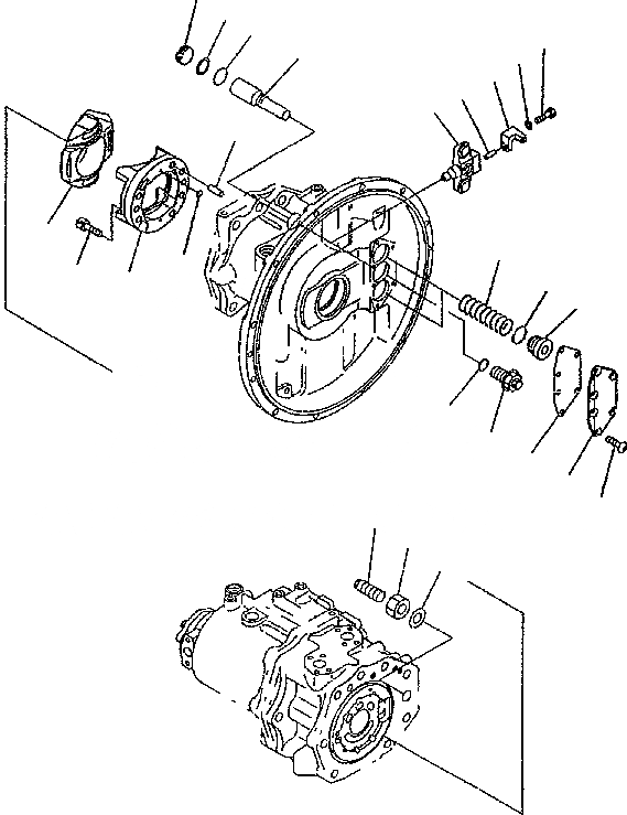
2
5
1
3
4
19
12
14
13
6
7
8
9
11
10
20
22
21
18
24
23
25
15
17
16
FIT
1:1
100%

Артикул

Название

Примечание

Количество

|$1

708-2H-00181

PUMP ASS'Y

|$2

708-2H-01110

PUMP SUB ASS'Y

|$3

Ѓљ708-2H-04160

CRADLE ASS'Y

1

CRADLE

2

CAM

3

Ѓљ04020-01434

DOWEL PIN

4

Ѓљ07000-B1009

O-RING

5

Ѓљ706-75-4034

PLUG

6

Ѓљ708-2H-24310

PISTON

7

Ѓљ708-2H-24220

ROD

8

Ѓљ04020-00514

DOWEL PIN

9

Ѓљ708-2H-25870

CAM

10

Ѓљ01010-80825

BOLT

11

Ѓљ01643-30823

WASHER

12

Ѓљ708-2H-24260

STOPPER

13

Ѓљ07000-B3032

O-RING

14

Ѓљ07001-03032

BACK-UP RING

15

Ѓљ708-2H-24320

SCREW

16

Ѓљ01643-32460

WASHER

17

Ѓљ01583-52414

NUT

18

Ѓљ708-2H-24270

SCREW

19

708-1W-28910

O-RING

20

708-2H-24140

SPRING

21

708-2H-24130

PLUG

22

708-2L-24620

O-RING

23

708-2H-24330

PLATE

24

708-2H-24340

PACKING

25

708-23-12350

SCREW

Выбрано товаров: 28