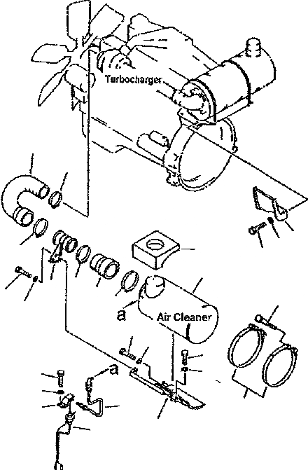
Запчасти Komatsu PC300-6 ВОЗДУХООЧИСТИТЕЛЬ СОЕДИН-Е КОМПОНЕНТЫ ДВИГАТЕЛЯ

Схема запчастей Komatsu PC300-6 - ВОЗДУХООЧИСТИТЕЛЬ СОЕДИН-Е КОМПОНЕНТЫ ДВИГАТЕЛЯ
7
13
6
1
12
10
11
9
12
8
14
4
5
4
5
3
19
21
22
20
18
2
1A
16
17
15
FIT
1:1
100%

Артикул

Название

Примечание

Количество

1

6222-83-7200

AIR CLEANER ASS

1A

6222-81-7190

BAND

2

6643-11-4641

BOLT

3

207-01-62121

BRACKET

4

01010-81230

BOLT

5

01643-31232

WASHER

6

207-54-52220

SHEET

7

207-01-52222

HOSE

|$9

207-01-61270

HOSE

8

207-01-62110

HOSE

9

207-01-62131

TUBE

10

01010-81230

BOLT

11

175-54-34170

WASHER

12

07289-00105

CLAMP

13

07289-00095

CLAMP

|$16

6212-11-4840

CLAMP

14

209-62-55290

CLAMP

15

207-01-62173

BRACKET

16

01010-81040

BOLT

17

01643-31032

WASHER

18

7861-91-1420

SENSOR

19

08671-50030

HOSE

20

207-01-62180

BRACKET

21

01010-81225

BOLT

22

01643-31232

WASHER

Выбрано товаров: 25