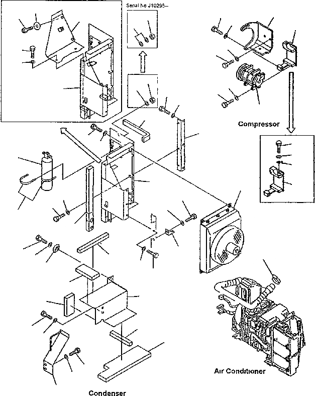
Запчасти Komatsu PC300-6 КОНДИЦ. ВОЗДУХА (БЛОК) КАБИНА ОПЕРАТОРА И СИСТЕМА УПРАВЛЕНИЯ

Схема запчастей Komatsu PC300-6 - КОНДИЦ. ВОЗДУХА (БЛОК) КАБИНА ОПЕРАТОРА И СИСТЕМА УПРАВЛЕНИЯ
33A
33D
33B
33B
33C
12
7
8
7
8
4
5
13
3
6
15
17
14
23
25
24
20
22
16
15
18
21
20
27
26
29
30
28
19
1
31
12
33
32
2
35
10
11
9
36
37
34
41
42
35B
35C
35A
38
39
40
35
FIT
1:1
100%

Артикул

Название

Примечание

Количество

1

07281-00419

CLAMP

2

207-979-7151

CONDENSER

|$3

207-979-7152

CONDENSER

3

203-979-6610

RECEIVER

|$5

203-979-6611

RECEIVER

4

01010-81030

BOLT

5

01643-31032

WASHER

6

07283-27060

CLIP

7

01599-01011

NUT

8

01643-31032

WASHER

|$11

01643-31032

WASHER

9

207-54-61330

FRAME

10

01010-81230

BOLT

11

01643-31232

WASHER

12

207-54-61471

BRACKET

13

207-54-61740

SHEET

14

207-54-61750

SHEET

15

01010-81230

BOLT

16

01643-31232

WASHER

17

175-54-34170

WASHER

18

207-54-61480

COVER

19

207-54-61660

SHEET

20

207-54-61670

SHEET

21

207-54-61680

SHEET

22

207-54-61690

SHEET

23

01010-81230

BOLT

24

203-54-62670

COLLAR

25

01643-31232

WASHER

26

01010-81230

BOLT

27

175-54-34170

WASHER

28

207-54-61320

BRACKET

29

01010-81225

BOLT

30

01643-31232

WASHER

31

209-01-61190

BRACKET

32

01010-81230

BOLT

33

01643-31232

WASHER

33A

207-54-61760

COVER

33B

01010-81230

BOLT

33C

01643-31232

WASHER

33D

175-54-34170

WASHER

34

203-979-6830

COMPRESSOR ASS'Y

|$42

203-979-6831

COMPRESSOR ASS'Y

35

207-979-6730

BRACKET

35A

08053-01512

CLIP

35B

01010-81220

BOLT

35C

01643-31232

WASHER

36

01010-80895

BOLT

37

01643-30823

WASHER

38

01010-81435

BOLT

39

01643-31445

WASHER

40

207-979-6720

BRACKET

41

01010-81235

BOLT

42

01643-31232

WASHER

Выбрано товаров: 53