Качественные детали и логистика
Оригинальные и аналоговые запчасти с доставкой по России, Казахстану и Беларуси
©2022 PartSell ООО "Система" ИНН 2463123282 ОГРН 1212400004838
Центральный офис: г. Красноярск, Академика Киренского, д.87, пом.4
Телефон: 8 (800) 777-65-74 Email: zakaz@partsell.ru
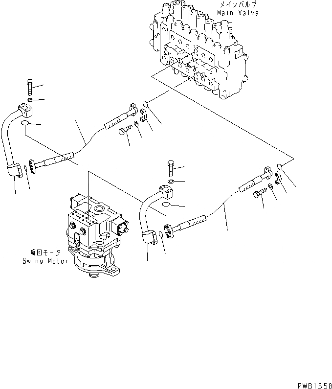
ЛИНИЯ ПОВОРОТА(№-999)
№
Артикул
Название
Примечание
Количество
1
07099-01008
HOSE
2
07000-13032
O-RING
3
07371-31049
FLANGE
4
07372-21035
BOLT
5
01643-51032
WASHER
6
207-62-61381
TUBE
7
207-62-61391
8
07000-13035
9
01010-51065
10
Выбрано товаров: 0