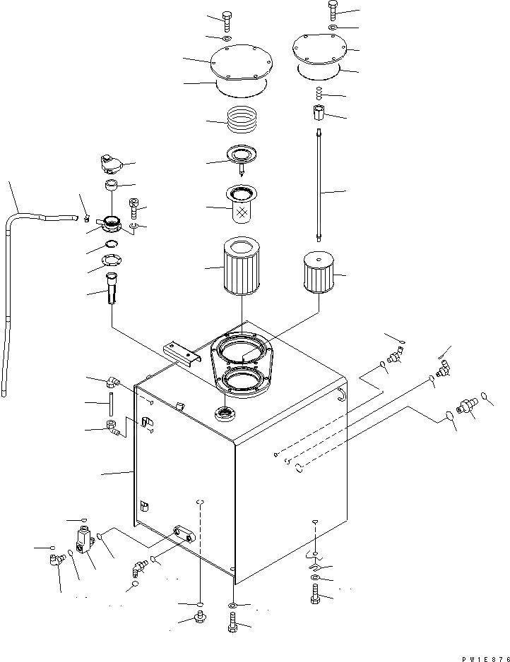
Запчасти Komatsu PC300-7-AA ГИДР. БАК. (ДЛЯ КЛАПАНА ПЕРЕГРУЗКИ) ГИДРАВЛИКА

Схема запчастей Komatsu PC300-7-AA - ГИДР. БАК. (ДЛЯ КЛАПАНА ПЕРЕГРУЗКИ) ГИДРАВЛИКА
1
2
2
3
4
5
6
7
8
9
10
11
12
13
14
15
16
17
18
19
20
21
22
23
24
25
26
27
28
29
30
31
32
33
34
35
36
37
38
39
40
41
42
43
44
45
46
47
48
49
50
50
51
51
52
FIT
1:1
100%

Артикул

Название

Примечание

Количество

1

207-60-71111

TANK

2

203-60-31100

ELBOW ASS'Y

3

203-60-31160

TUBE

4

07044-12412

PLUG

5

07002-12434

O-RING

6

207-62-72171

ELBOW

7

07002-12434

O-RING

8

02896-11018

O-RING

9

02782-10522

ELBOW

10

07002-12434

O-RING

11

02896-11015

O-RING

12

02783-10315

ELBOW

13

07002-12034

O-RING

14

02896-11009

O-RING

15

207-62-72110

UNION

16

07002-13334

O-RING

17

207-62-64740

O-RING

18

02782-10315

ELBOW

19

07002-12034

O-RING

20

02896-11009

O-RING

21

11Y-62-12510

ELBOW

22

07002-11423

O-RING

23

02896-11008

O-RING

24

207-60-71180

ELEMENT

25

20Y-60-31140

STRAINER

26

20Y-60-31131

VALVE ASS'Y

27

20Y-60-21240

SPRING

28

22U-60-21231

COVER

29

07000-15195

O-RING

30

01010-81230

BOLT

31

01643-31232

WASHER

|32

20Y-60-31171

STRAINER ASS'Y

32

207-60-61150

ROD ASS'Y

33

20Y-60-21320

HOLDER

34

12R-60-11230

SPRING

35

22B-60-11160

STRAINER

36

207-60-71131

COVER

37

07000-15160

O-RING

38

01010-81230

BOLT

39

01643-31232

WASHER

40

17A-60-11310

CAP ASS'Y

41

20Y-60-21470

ELEMENT

42

20Y-60-21460

NECK

43

20Y-60-21340

GASKET

44

01252-70516

BOLT

45

01601-20513

WASHER

46

07285-00155

CLIP

47

07270-61412

TUBE

48

07056-10045

STRAINER

49

04065-04718

RING

50

01010-81635

BOLT

51

01643-31645

WASHER

52

195-03-11570

SHIM¤ 1.0MM

Выбрано товаров: 53