Качественные детали и логистика
Оригинальные и аналоговые запчасти с доставкой по России, Казахстану и Беларуси
©2022 PartSell ООО "Система" ИНН 2463123282 ОГРН 1212400004838
Центральный офис: г. Красноярск, Академика Киренского, д.87, пом.4
Телефон: 8 (800) 777-65-74 Email: zakaz@partsell.ru
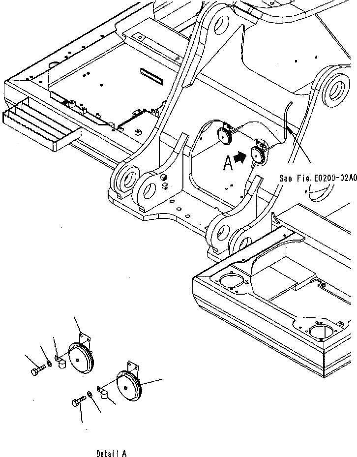
ЗВУК. СИГНАЛ.
№
Артикул
Название
Примечание
Количество
1
08160-62420
HORN
2
08160-62430
3
01010-80825
BOLT
4
01643-30823
WASHER
5
04434-51008
CLIP
Выбрано товаров: 0