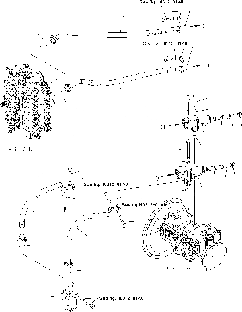
Запчасти Komatsu PC300-7 ЛИНИЯ ПОДАЧИ (C ПРОХОДНЫМ ФИЛЬТРОМ) (ДОПОЛН.) H ГИДРАВЛИКА

Схема запчастей Komatsu PC300-7 - ЛИНИЯ ПОДАЧИ (C ПРОХОДНЫМ ФИЛЬТРОМ) (ДОПОЛН.) H ГИДРАВЛИКА
6
7
2
4
3
1
5
13
14
12
10
11
9
8
20
22
21
21
22
20
19
17
18
16
18
15
16
19
20
20
23
FIT
1:1
100%

Артикул

Название

Примечание

Количество

|$1

207-62-71100

FILTER A.

1

207-62-71130

CASE

2

20Y-60-22371

PLUG

3

207-60-61250

STRAINER

4

07002-13634

O-RING

5

07000-13035

O-RING

6

01011-81030

BOLT

7

01643-31032

WASHER

|$9

207-62-71200

FILTER A.

8

207-62-71250

CASE

9

20Y-60-22371

PLUG

10

207-60-61250

STRAINER

11

07002-13634

O-RING

12

07000-13035

O-RING

13

01011-81075

BOLT

14

01643-31032

WASHER

15

207-62-71880

HOSE

16

07000-13032

O RING

17

207-62-71890

HOSE

18

07000-13032

O RING

19

207-62-71760

HOSE

20

07000-13032

O RING

21

07372-21035

BOLT

22

01643-51032

WASHER

23

207-62-71970

BRACKET

Выбрано товаров: 0