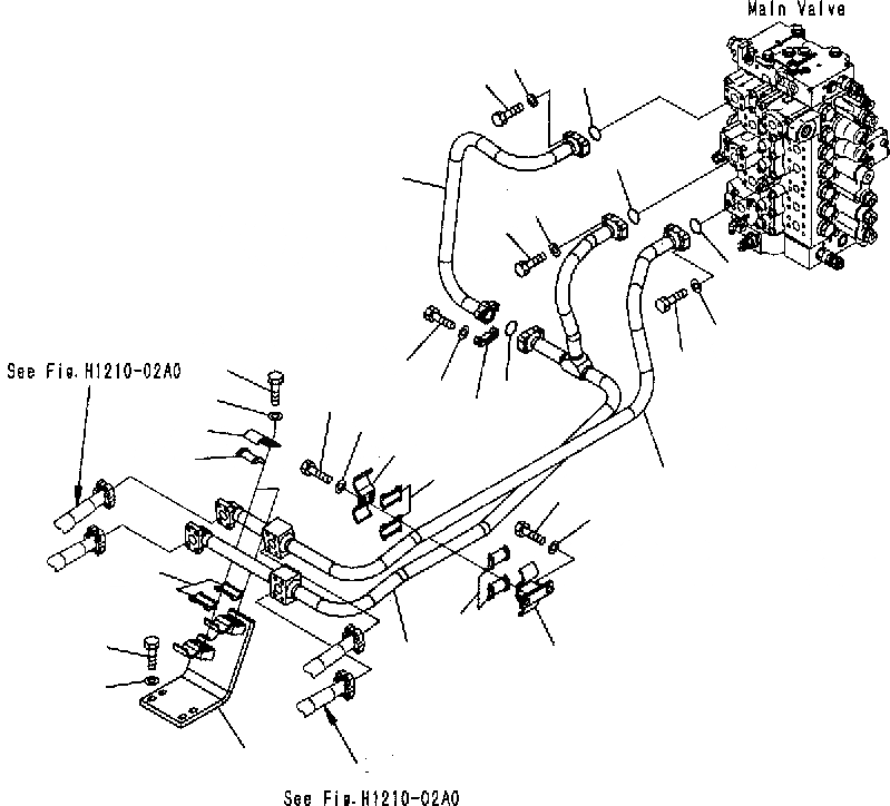
Запчасти Komatsu PC300-7 ГИДРОЛИНИЯ СТРЕЛЫ (ЛИНИИ КЛАПАНА СТРЕЛЫ) H ГИДРАВЛИКА

Схема запчастей Komatsu PC300-7 - ГИДРОЛИНИЯ СТРЕЛЫ (ЛИНИИ КЛАПАНА СТРЕЛЫ) H ГИДРАВЛИКА
11
13
12
10
24
25
22
23
1
9
8
7
3
4
5
6
3
5
4
2
27
26
29
28
20
21
18
19
15
16
17
14
FIT
1:1
100%

Артикул

Название

Примечание

Количество

1

207-62-71221

TUBE

2

207-62-71231

TUBE

3

07000-13035

O-RING

4

07372-21040

BOLT

5

01643-51032

WASHER

6

07000-13032

O-RING

7

07371-31049

FLANGE

8

07372-21035

BOLT

9

01643-51032

WASHER

10

207-62-71211

TUBE

11

07000-13035

O-RING

12

07372-21040

BOLT

13

01643-51032

WASHER

14

207-62-71321

BRACKET

15

205-62-73430

SEAT

16

01010-81235

BOLT

17

01643-31232

WASHER

18

207-62-52430

CLAMP

19

205-62-73430

SEAT

20

01010-81230

BOLT

21

01643-31232

WASHER

22

207-62-71330

BRACKET

23

205-62-73430

SEAT

24

01010-81230

BOLT

25

01643-31232

WASHER

26

207-62-54770

CLAMP

27

205-62-73430

SEAT

28

01010-81230

BOLT

29

01643-31232

WASHER

Выбрано товаров: 29